EasyManua.ls Logo

FlexGain FOM16 - Troubleshooting and Diagnostics; Diagnostics Tests

FlexGain FOM16
50 pages
Print Icon
To Next Page IconTo Next Page
To Next Page IconTo Next Page
To Previous Page IconTo Previous Page
To Previous Page IconTo Previous Page
Loading...
FOM16 Installation Description
FOM16-V2.0-20021114
-42-
8. Troubleshooting and Diagnostics
This section includes a description of the FOM16 diagnostics test and troubleshooting procedure.
8.1 Diagnostics tests
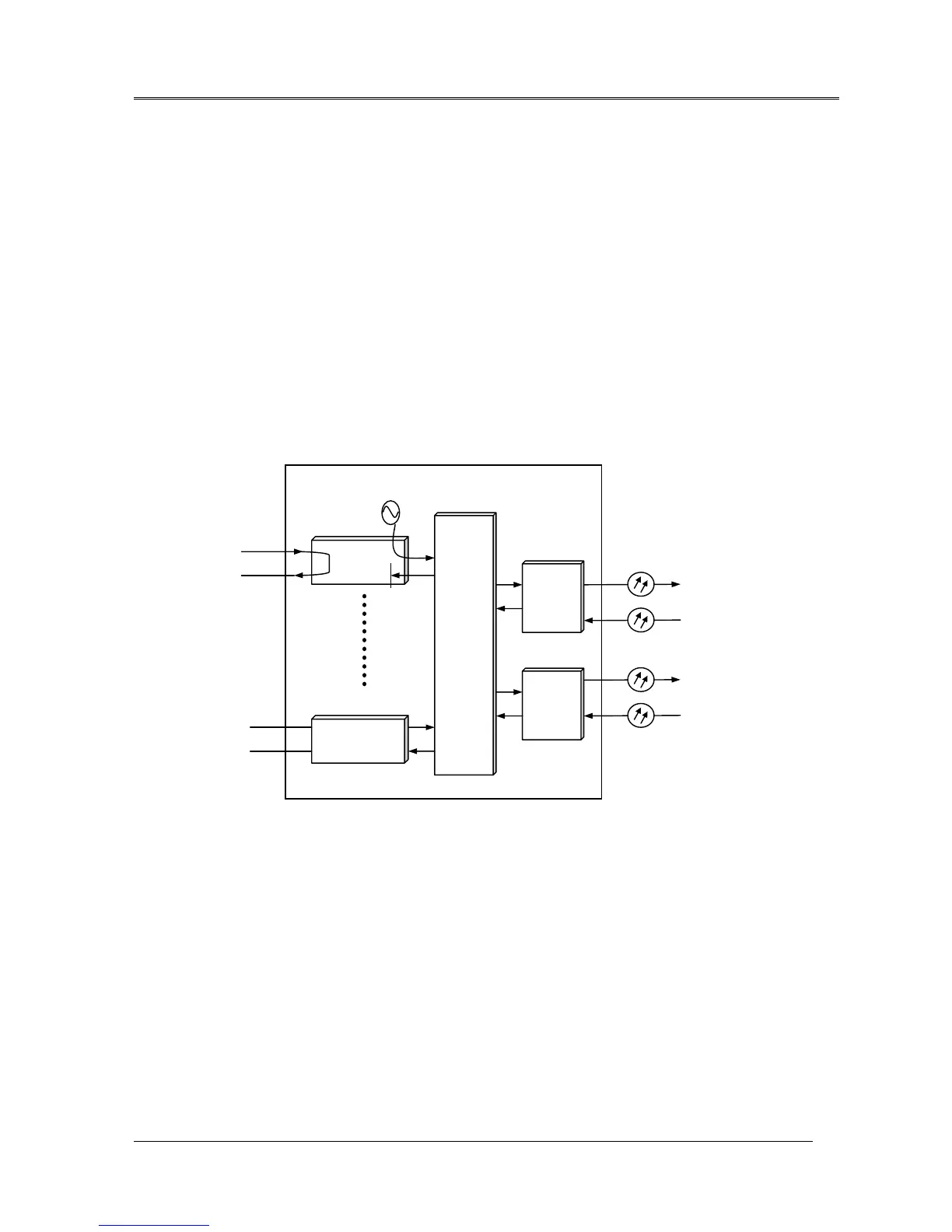
FOM16 supports four types of loopback connections:
  Low-speed local loopback in the local FOM16.
  Low-sped remote loopback in the remote FOM16.
  Optical local loopback in the local FOM16.
  Optical remote loopback in the remote FOM16.
Fig.28 ~ Fig.31 will display the loop back connections.
Fig.28 Low-speed local loopback
Tributary
Interface
MUX
DEMUX
Optical
Interface
Tributary
Interface
AIS
Local FOM16
Optical
Interface

Related product manuals