EasyManua.ls Logo

Flott SB 18 Plus - Page 94

Flott SB 18 Plus
99 pages
Print Icon
To Next Page IconTo Next Page
To Next Page IconTo Next Page
To Previous Page IconTo Previous Page
To Previous Page IconTo Previous Page
Loading...
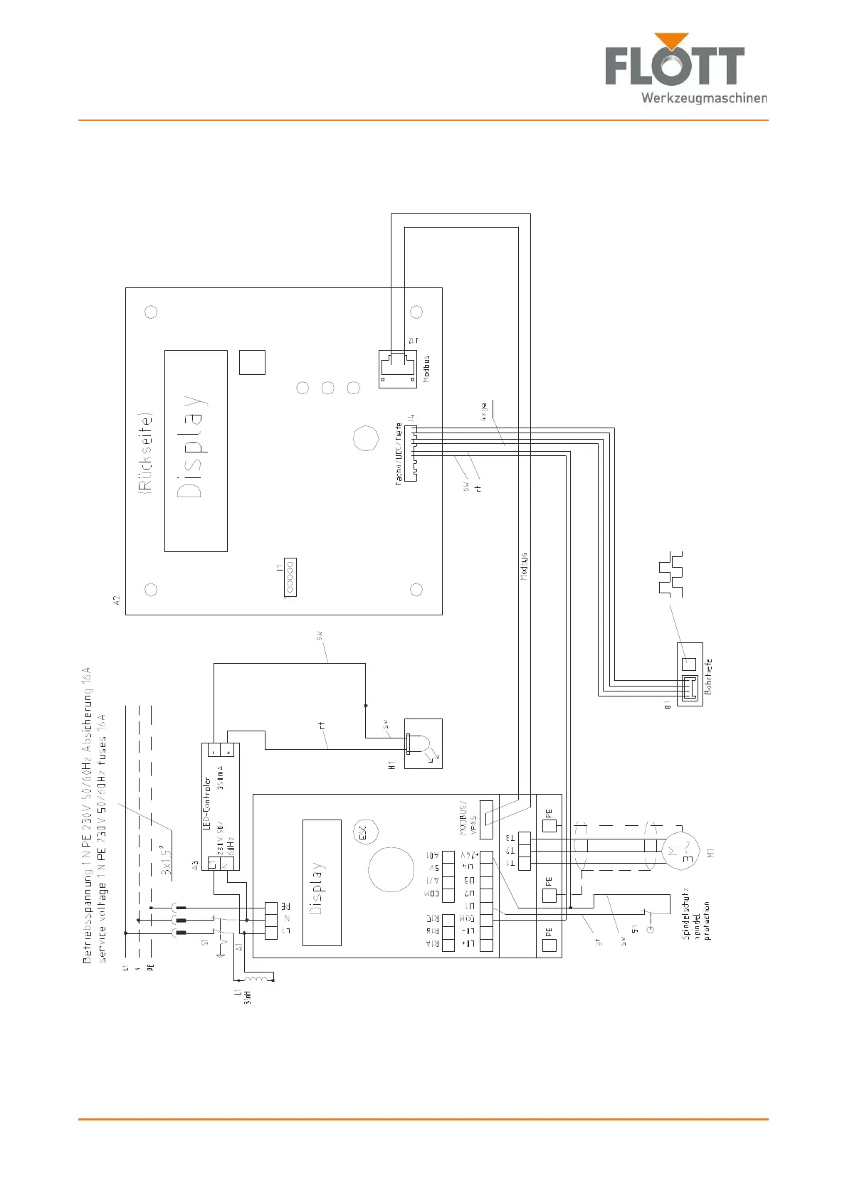
Dimensional Drawings and Wiring Diagrams
94
04/03/2020 218333
Fig.: Wiring diagram SB/TB/TBZ 18 Plus

Table of Contents

Related product manuals