EasyManua.ls Logo

Flott SB 18 Plus - Page 95

Flott SB 18 Plus
99 pages
Print Icon
To Next Page IconTo Next Page
To Next Page IconTo Next Page
To Previous Page IconTo Previous Page
To Previous Page IconTo Previous Page
Loading...
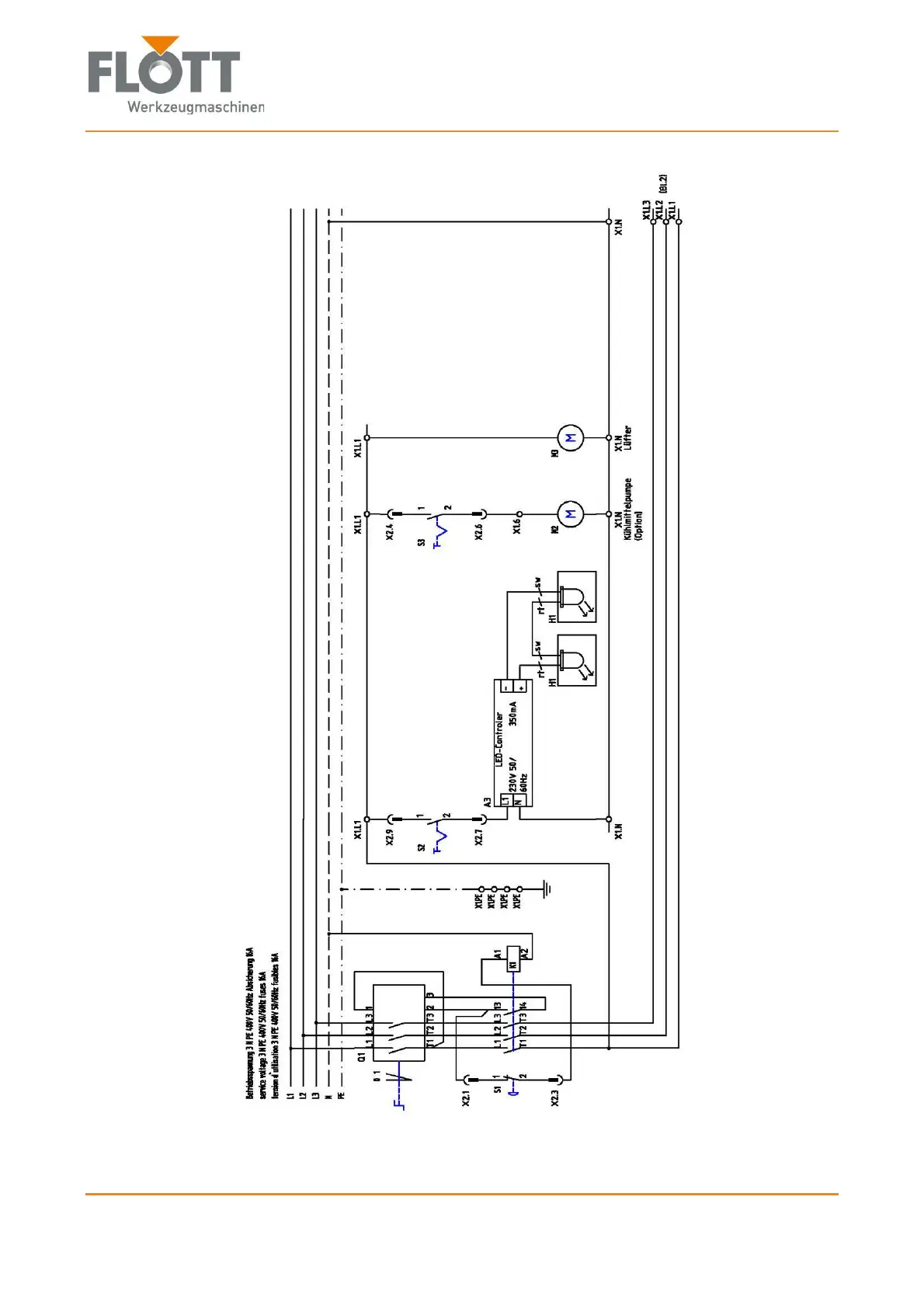
Dimensional Drawings and Wiring Diagrams
218333 04/03/2020
95
Fig.: Wiring diagram (part 1) SB/TB/TBZ 20/23/25 Plus

Table of Contents

Related product manuals