EasyManua.ls Logo

Forma Scientific 3158 - Page 17

Forma Scientific 3158
84 pages
Print Icon
To Next Page IconTo Next Page
To Next Page IconTo Next Page
To Previous Page IconTo Previous Page
To Previous Page IconTo Previous Page
Loading...
Forma Scientific, Inc.
____________________________________________________________________________
4-6
4. Turn the incubator power switch ON. The ADD WATER warning light and audible
alarm will come on. Pressing the SET/SILENCE button on the alarm panel will
silence the audible alarm
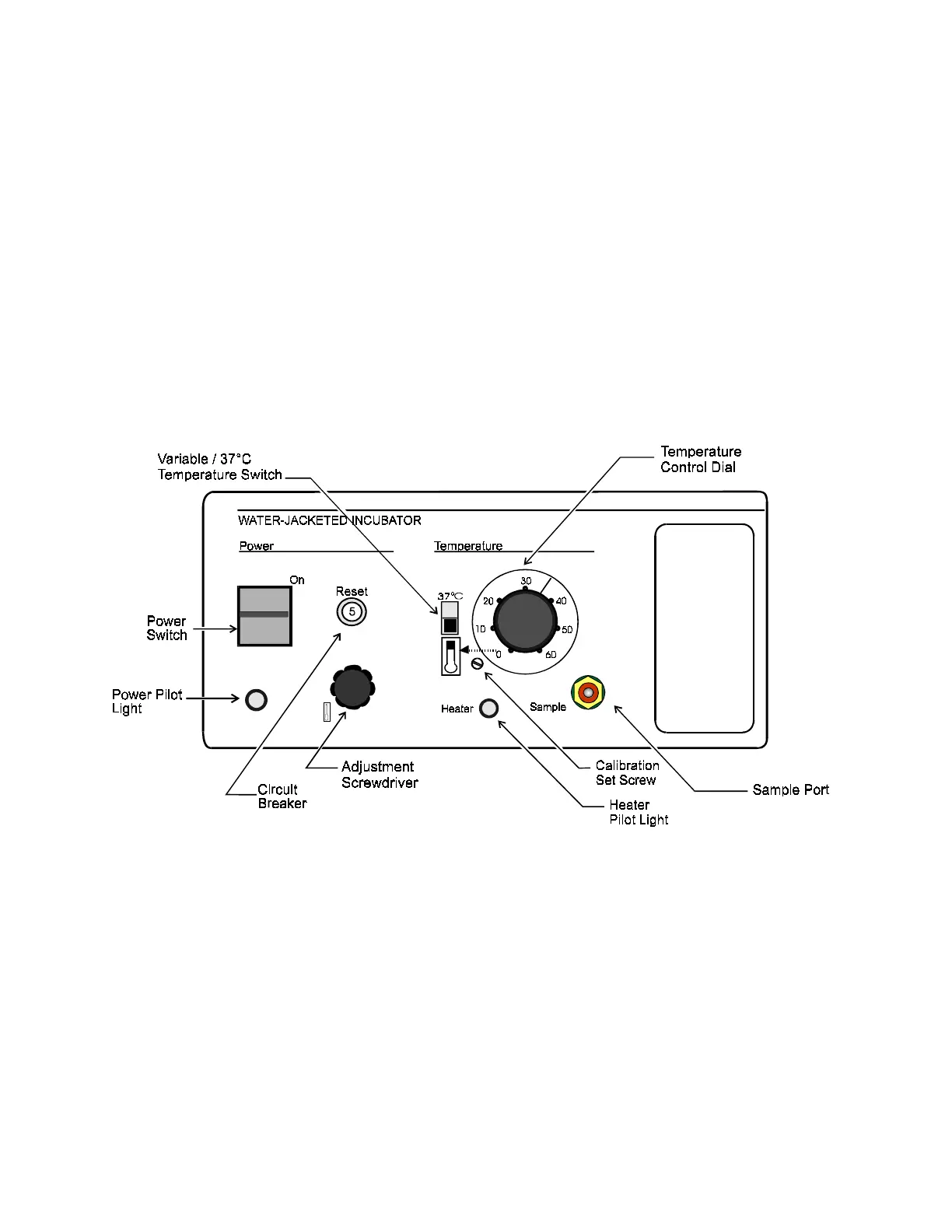
5. Remove the adjusting screwdriver from the control panel. The black knob is the
handle of the adjusting screwdriver. Refer to Figure 4-2.
6. Push the SET/SILENCE button on the Monitor Alarm Module, and adjust the over
temp alarm setpoint to a setting 2° or 3° above the intended operating temperature.
(Refer to Section 4.14)
Electric Power and Temperature Control Module
Figure 4-2
7. Press the CO
2
SET/SILENCE button and rotate the CO
2
set screw until the display
reads 00.0. (Refer to Figure 4-7 for locations of the SET/SILENCE button and set
screw.)

Table of Contents

Related product manuals