EasyManua.ls Logo

Forma Scientific 3158 - Power Switch and Pilot Light; Circuit Breaker; Variable;37°C Switch, Temp Control and Heater Pilot Light

Forma Scientific 3158
84 pages
Print Icon
To Next Page IconTo Next Page
To Next Page IconTo Next Page
To Previous Page IconTo Previous Page
To Previous Page IconTo Previous Page
Loading...
Forma Scientific, Inc.
_________________________________________________________________________
5-3
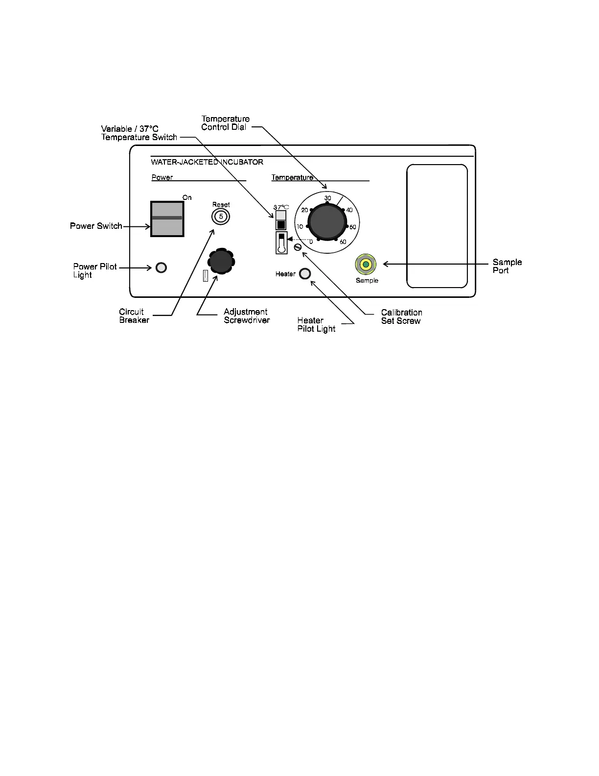
Incubator Control Panel
Figure 5-2
b. Power Switch and Pilot Light
The main power switch controls the ON/OFF power to the unit. The power pilot light
is activated when the power switch is on, and the unit is receiving power.
c. Circuit Breaker (Reset)
The 5 amp circuit breaker for the incubator (labeled Reset) can be pushed to reset the
incubator power supply within a few seconds after the breaker has tripped. If it trips a
second time, the unit should be checked by a qualified electrician.
d. Variable/37°C Switch, Temp Control and Heater Pilot Light
When the Variable/37°C switch is set to the 37°C (up) position, chamber temperature
will automatically be maintained at +37°C. If necessary, the 37°C control can be
calibrated using the calibration screw located at the lower left side of the temperature
control dial. See Section 7.3 to calibrate the 37°C setting.

Table of Contents

Related product manuals