EasyManua.ls Logo

Freestyle 2 Series - Page 40

Freestyle 2 Series
136 pages
Print Icon
To Next Page IconTo Next Page
To Next Page IconTo Next Page
To Previous Page IconTo Previous Page
To Previous Page IconTo Previous Page
Loading...
Part number 550-142-950/0122
40
FreeStyle
®
series
2
wall mount gas-fired water boiler boiler manual
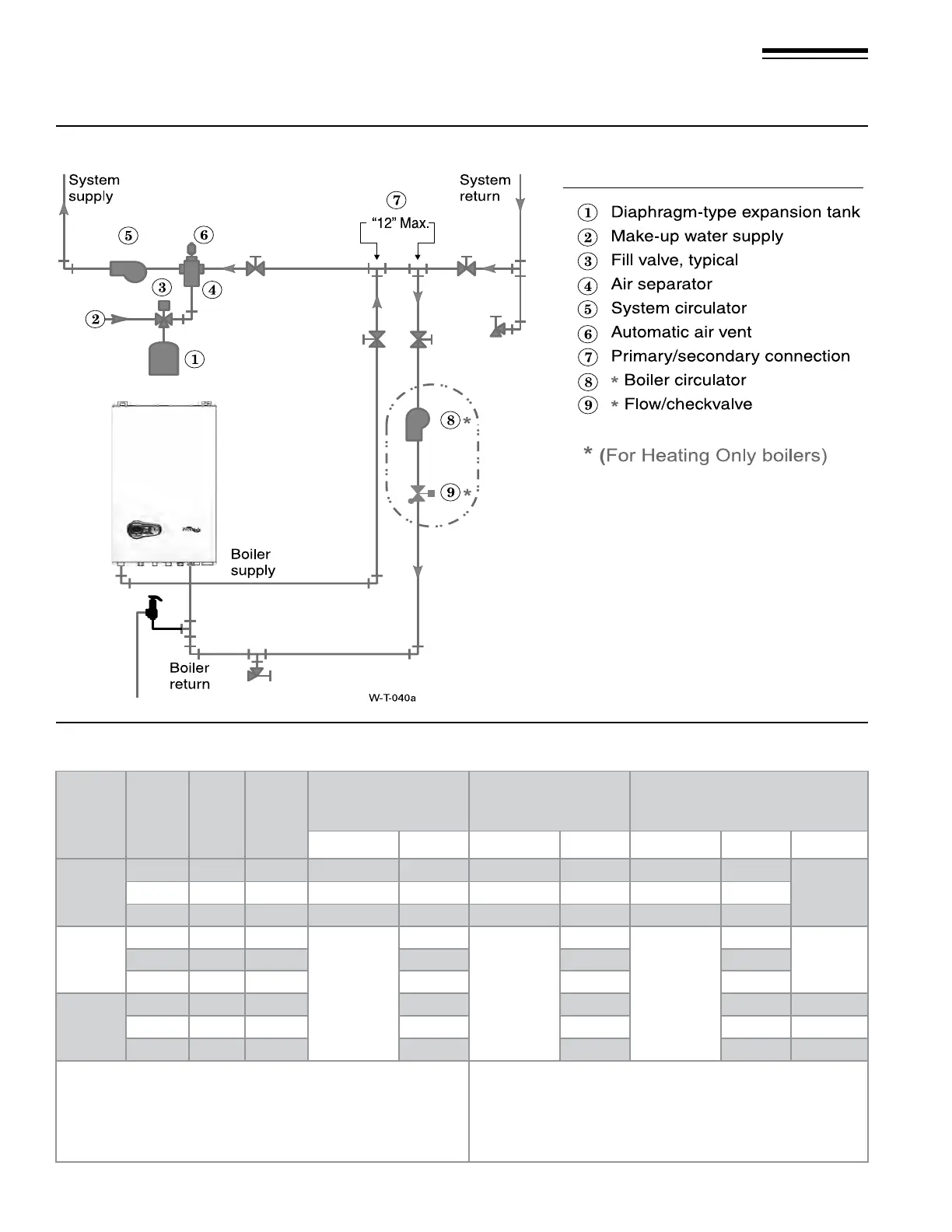
Figure 51 Piping to diaphragm (or bladder) expansion tank
Figure 52 Pressure drop through FreeStyle
®
80/120/155 heat exchanger (graphs and table)
18 Primary/Secondary System Piping (continued)
Boiler
Model
BOILER
dT
(ºF)
(GPM)
@
92%
Eff.
Boiler
Head
Loss
(ft. w.c.)
Piping Est. Head Loss -
Ft. (Typical Near Boiler)
Total Loss - Ft.
(Boiler + Near Boiler
Piping)
Recommended
Circulators
3/4” Pipe 1” Pipe 3/4” Pipe 1” Pipe 3/4” Pipe 1” Pipe 1-1/4” Pipe
FS-80
HEAT
ONLY
20 7.4 7.8 12.5 3.0 20.3 10.8 A B,C,D
___30 4.9 4.0 6.0 1.5 10.0 5.5 B,C,D,E B,C,D,E
40 3.7 2.7 3.5 0.8 6.2 3.5 B,C,D,E B,C,D,E
FS-120
HEAT
ONLY
20 11.0 14.4
Not
Recommended
6.0
Not
Recommended
20.4
Not
Recommended
A,F
___30 7.3 7.5 3.0 10.5 B,C,D
40 5.5 4.6 1.8 6.4 B,C,D,E
FS-155
HEAT
ONLY
20 14.3 35.6 9.6 45.8 --- ---
30 9.5 16.4 4.6 21.0 F F
40 7.1 9.2 2.8 12.0 A,B,D A,B,D
Notes:
1. Operating point with current Grundfos pump inside
the boiler.
2. Combi pump included in the boiler is sized properly
for boiler loop.
Circulator Legend:
A - Taco 0014
B - Taco 0015
C - Grundfos UPS 15-58
D - B&G NRF 25
E - Taco 007
F - Taco 0011

Table of Contents

Related product manuals