EasyManua.ls Logo

Freestyle 2 Series - Wiring Diagram - FS-80;120 Combi Ladder

Freestyle 2 Series
136 pages
Print Icon
To Next Page IconTo Next Page
To Next Page IconTo Next Page
To Previous Page IconTo Previous Page
To Previous Page IconTo Previous Page
Loading...
Part number 550-142-950/0122
54
FreeStyle
®
series
2
wall mount gas-fired water boiler boiler manual
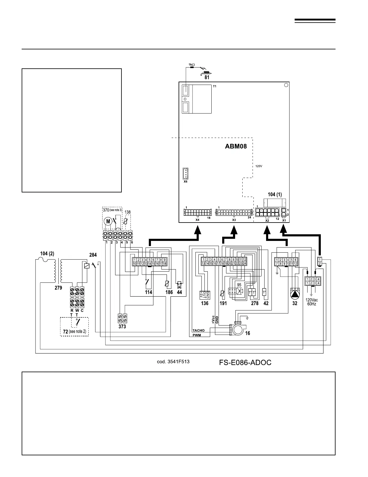
23 Wiring diagram — FS-80/120 Combi Ladder
Figure 72 FreeStyle
®
80/120 Combi Ladder Wiring Diagram
Legend
16 Fan
32 Central heating pump
42 DHW temperature sensor
44 Gas valve
72 Room thermostat (optional)
81 Ignition electrode
95 Mixing (diverting) valve
104(1) Fuse 3.15A
104 (1) Fuse 630mA
114 Water pressure switch
136 Flow meter
138 Outside temperature sensor (optional on Combi)
186 Return temperature sensor
191 Exhaust temperature sensor
278 Double sensor (heating + safety)
279 Transformer 115-24 VAC
284 Relay SPST-Coil 24 VAC
370 LWCO (not included)
373 “OPENTHERM” communication (Not used)
LN
NOTES:
1. All wiring must be installed in
accordance with N.E.C. and
any other national state or local
requirements.
2. Room thermostat should be a
dry contact type and should draw
power from the control board:
should not be greater than 24
VAC and 500 mA.
3. Terminals 1 & 2 are powered with
120 VAC for LWCO, 3 Amps Max.
4. In case of questions during instal-
lation please contact your local
W-T Tech Services.

Table of Contents

Related product manuals