EasyManua.ls Logo

Freestyle 80 - Page 46

Freestyle 80
128 pages
Print Icon
To Next Page IconTo Next Page
To Next Page IconTo Next Page
To Previous Page IconTo Previous Page
To Previous Page IconTo Previous Page
Loading...
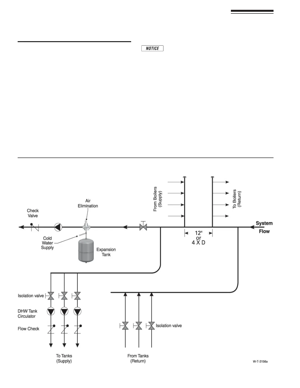
Figure 53 0IPINGLAYOUTTYPICALPIPINGFORMULTIPLEBOILERSBOILERSYSTEMSHOWNWITH$(7STORAGEHEATERSGROUPEDAS
ZONEINSECONDARYLOOPOFFPRIMARYSYSTEMLOOP(EATING/NLY
Part number 550-142-850/0716
46
FreeStyle
®
WALL MOUNT GAS-FIRED WATER BOILERBoiler Manual
DHW tank piping with multiple
FreeStyle
®
boilers
DHW direct connection—single tank
1. )F"45(OUTPUTOFASINGLEBOILERISSUFlCIENTFORTHE
DHW tank/demand, pipe the indirect water heater to
the last boiler in the firing sequence. This will allow the
previous boilers to continue space heating while the last
boiler delivers DHW priority.
2. 0IPE FROMTHE NEARBOILERPIPING TOTHE $(7 TANKS
boiler connections as shown in Figure 48, page 41.
3. Connect the DHW tank aquastat directly to the DHW
input on the last boiler in the sequence.
When using a multiple-boiler control with lead boiler
rotation, it is recommended that the boiler connected to
the DHW tank is always set as the last boiler to operate
in the sequence so that space heat can be maintained
DURINGTIMESOF$(7DEMAND
DHW tanks as zone—multiple tanks
1. )FUSINGMULTIPLE$(7TANKSORMULTIPLEBANKSOFTANKSPIPETHE
tanks to the primary system loop with a secondary connection as
shown in Figure 53.
2. DHW tanks are zoned with circulators as shown.
3. )F$(7 PRIORITYIS REQUIREDUSE SEPARATE ZONECONTROLLERSFOR
DHW and space heating.
18
Multiple boiler installations
(continued)

Table of Contents

Other manuals for Freestyle 80

Related product manuals