EasyManua.ls Logo

Frick QUANTUM 3 - QUANTUM I;O & D.C. POWER HARNESS

Frick QUANTUM 3
118 pages
Print Icon
To Next Page IconTo Next Page
To Next Page IconTo Next Page
To Previous Page IconTo Previous Page
To Previous Page IconTo Previous Page
Loading...
FRICK
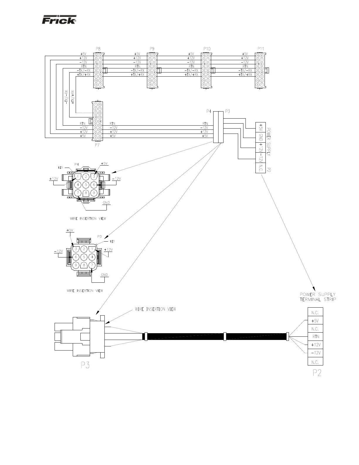
QUANTUM™ COMPRESSOR CONTROL PANEL S90-010 M
MAINTENANCE Page 113
QUANTUM™ I/O & D.C. POWER HARNESS
This drawing appears here for reference purposes only, and is subject to change without notice. When installing, or servicing
equipment, always refer to the actual drawings that are included with the control panel for the latest information.

Table of Contents

Related product manuals