EasyManua.ls Logo

Frymaster 45 Series - Page 45

Frymaster 45 Series
86 pages
Print Icon
To Next Page IconTo Next Page
To Next Page IconTo Next Page
To Previous Page IconTo Previous Page
To Previous Page IconTo Previous Page
Loading...
1-39
8050385D
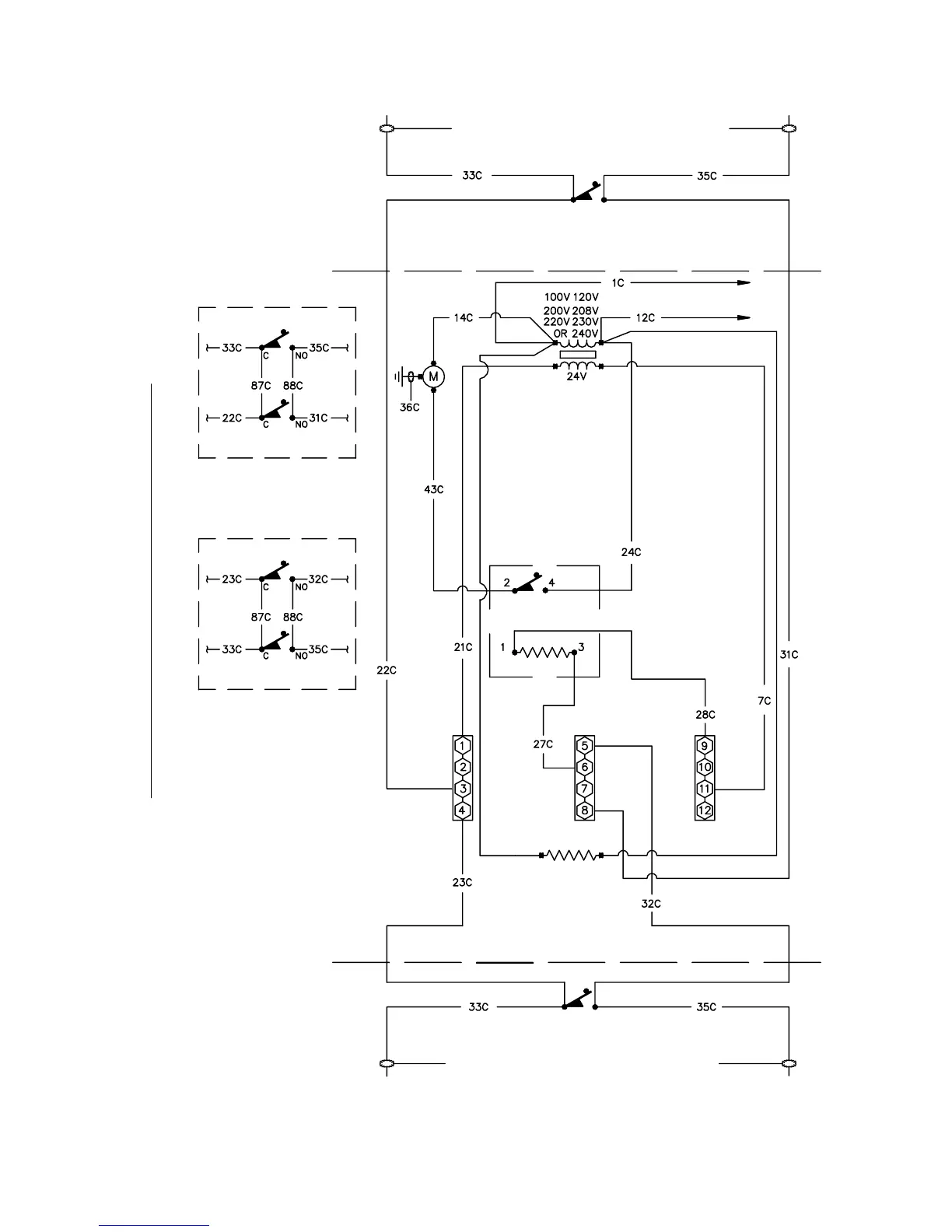
PLAN WIRING DIAGRAM FOR FILTER MAGIC II
(DIRECT)
TO FRYER POWER SUPPLY
FOR (DIRECT) UNITS
1 ST. FRYER - RIGHT OF FILTER
FILTER PUMP MOTOR
ON/OFF SWITCH
PUMP
RELAY
PUMP
HEATER
1 ST. FRYER - LEFT OF FILTER
FILTER PUMP MOTOR
ON/OFF SWITCH
SEE INSET A-A
FOR 50-2
REPEAT SAME CIRCUIT ON NEXT FRYER IF NEEDED
SEE INSET B-B
FOR 50-2
REPEAT SAME CIRCUIT ON NEXT FRYER IF NEEDED
INSET A-A
INSET B-B

Table of Contents

Related product manuals