EasyManua.ls Logo

FULTON VSRT-60 - Page 13

FULTON VSRT-60
118 pages
Print Icon
To Next Page IconTo Next Page
To Next Page IconTo Next Page
To Previous Page IconTo Previous Page
To Previous Page IconTo Previous Page
Loading...
INTRODUCTION - 1
Fulton Ltd
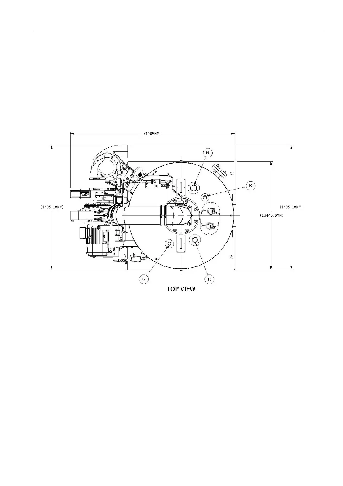
Figure 3 Model VSRT-60 Dimensions Top Side View
VSRT-IOMM-2019-1
Page 5

Table of Contents

Other manuals for FULTON VSRT-60

Related product manuals