EasyManua.ls Logo

Gardner Denver EBU99E - SECTION 2 INSTALLATION; LIFTING UNIT

Gardner Denver EBU99E
78 pages
Print Icon
To Next Page IconTo Next Page
To Next Page IconTo Next Page
To Previous Page IconTo Previous Page
To Previous Page IconTo Previous Page
Loading...
13-21-602 Page 12
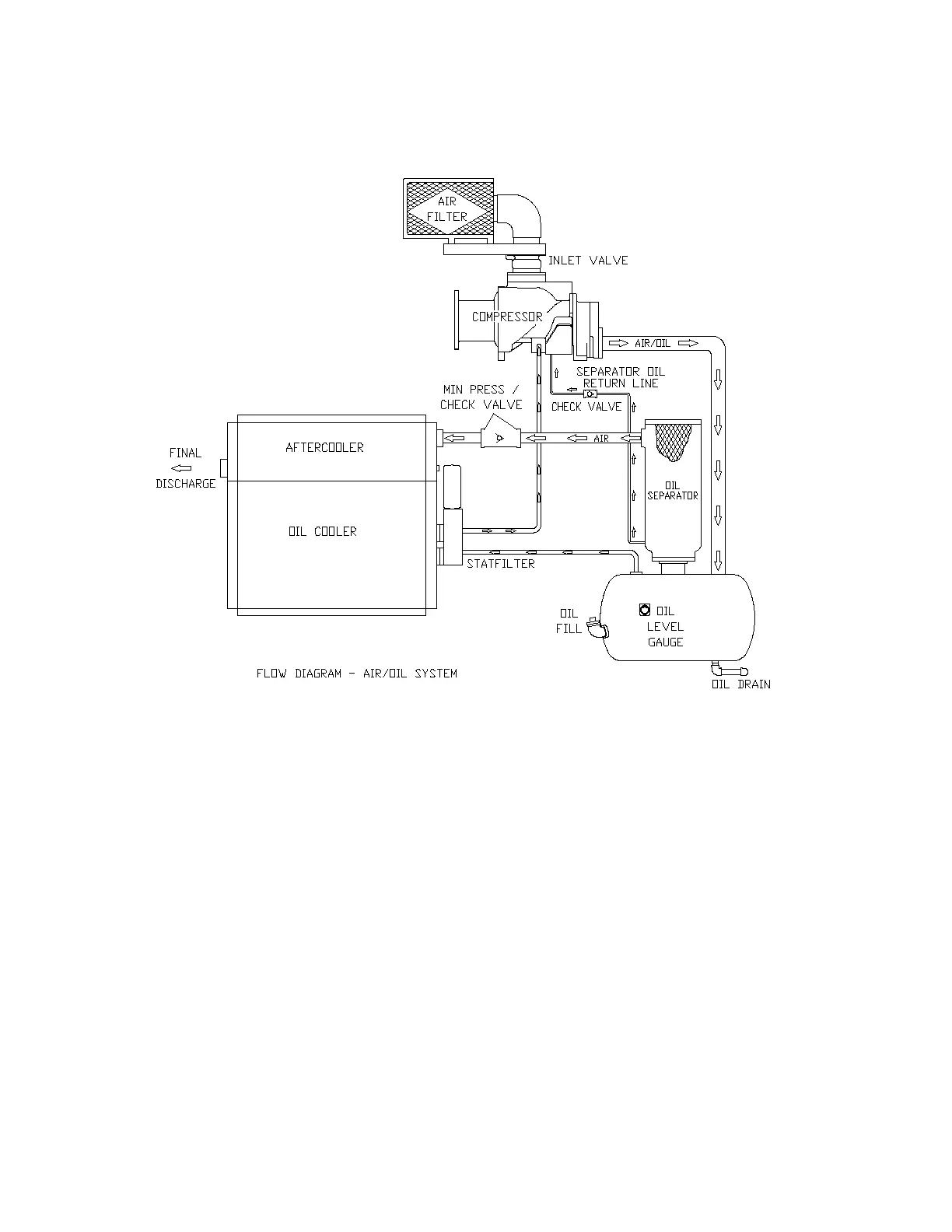
Figure 1-6 – AIR/OIL FLOW DIAGRAM
202EDM797
(Ref. Drawing)

Table of Contents

Related product manuals