EasyManua.ls Logo

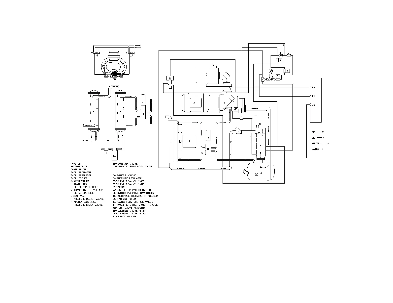
Gardner Denver EBU99E - Figure 5-3 - Flow Diagram - Air;Oil System

Gardner Denver EBU99E
78 pages
Print Icon
To Next Page IconTo Next Page
To Next Page IconTo Next Page
To Previous Page IconTo Previous Page
To Previous Page IconTo Previous Page
Loading...
13-21-602 Page 51
Figure 5-3 – FLOW DIAGRAM – AIR/OIL SYSTEM
203EDM797-A
(Ref. Drawing)

Table of Contents

Related product manuals