EasyManua.ls Logo

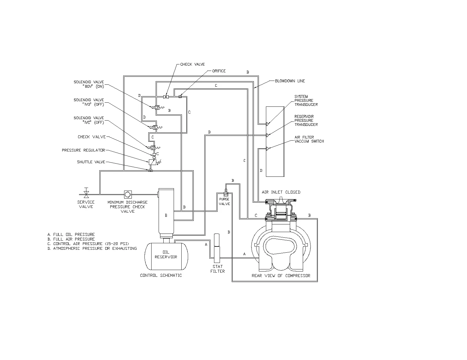
Gardner Denver EBU99E - Figure 4-8 - Control Schematic - Compressor Unloaded - Constant Speed Mode

Gardner Denver EBU99E
78 pages
Print Icon
To Next Page IconTo Next Page
To Next Page IconTo Next Page
To Previous Page IconTo Previous Page
To Previous Page IconTo Previous Page
Loading...
13-21-602 Page 38
Figure 4-8 – CONTROL SCHEMATIC COMPRESSOR UNLOADED CONSTANT SPEED MODE
EBQ & EBU UNITS ONLY
209EDM797-A
(Ref. Drawing)

Table of Contents

Related product manuals