EasyManua.ls Logo

GE DVM1950 - Electrical Schematics Overview; PVM2170 Model Schematic Diagram

GE DVM1950
48 pages
Print Icon
To Next Page IconTo Next Page
To Next Page IconTo Next Page
To Previous Page IconTo Previous Page
To Previous Page IconTo Previous Page
Loading...
– 43 –
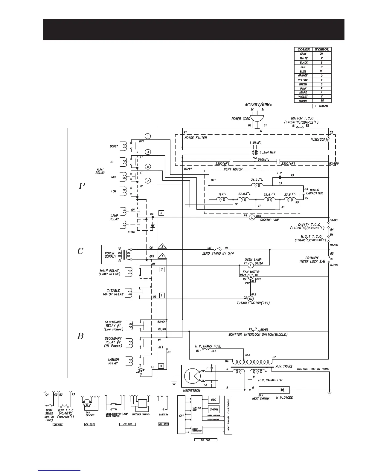
Schematics and Wiring Diagrams
(Continued next page)
PVM2170 Schematic Diagram

Related product manuals