EasyManua.ls Logo

GE DVM1950 - Multi-Model Schematic Diagrams; Schematic for DVM;JVM;PVM;PNM Models

GE DVM1950
48 pages
Print Icon
To Next Page IconTo Next Page
To Next Page IconTo Next Page
To Previous Page IconTo Previous Page
To Previous Page IconTo Previous Page
Loading...
– 45 –
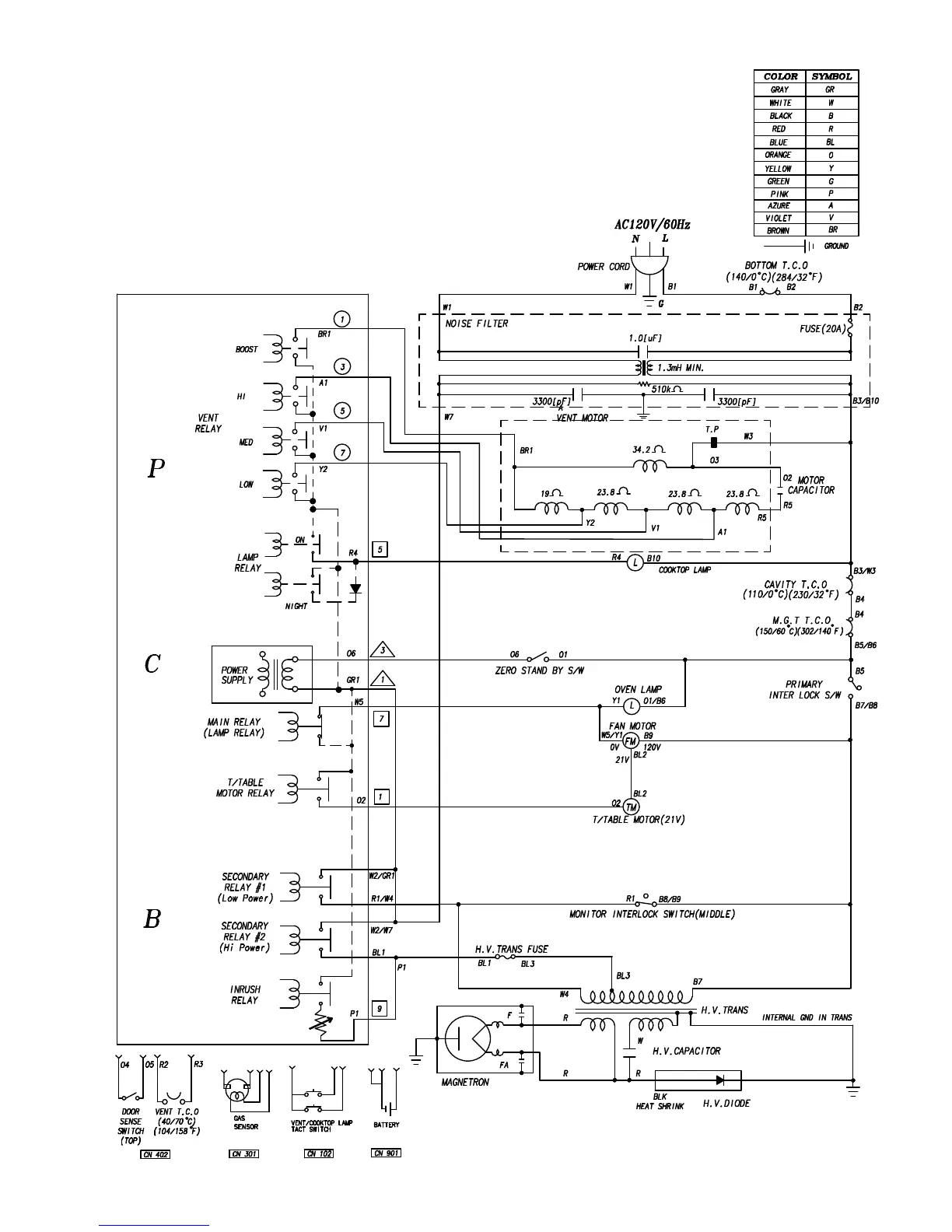
DVM1950, JNM1951, JVM1950, PVM1970, PNM1971 Schematic Diagram
(Continued next page)

Related product manuals