EasyManua.ls Logo

GE MiCOM P40 Agile - Figure 252: CB Control Logic Diagram (Module 43)

GE MiCOM P40 Agile
802 pages
To Next Page IconTo Next Page
To Next Page IconTo Next Page
To Previous Page IconTo Previous Page
To Previous Page IconTo Previous Page
Loading...
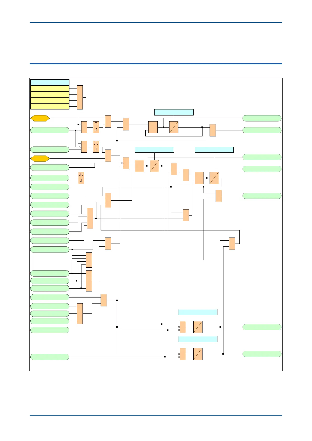
Following manual circuit breaker closure, if either a single phase or a three phase fault occur, the circuit breaker is
tripped three phase, but Autoreclose is not locked out for this condition.
7.9 CB CONTROL LOGIC DIAGRAM
V03369
Init close CB
1
CB Control by
Opto+Local
Opto
Opto+Remote
Opto+Rem+Local
HMI Trip
HMI Close
Init Trip CB
CB ARIP
Auto Close
CB Close Fail
Control Close
Close in Prog
CB Trip Fail
Control Trip
Reset Close Dly
1
1
External Trip3Ph
Control Trip
Any Trip
CB Open 3 ph
CB Closed 3 ph
CB Healthy
Man CB Unhealthy
No C/S Man Close
CB Man SCOK
External Trip A
External Trip B
External Trip C
CB Open A ph
CB Open B ph
CB Open C ph
CB Closed A ph
CB Closed B ph
CB Closed C ph
&
1
1
&
&
1
&
RD
Q
S
0
t
&
1
&
RD
Q
S
0
t
&
1
RD
Q
S
0
t
&
1
1
1
1
0
t
0
t
&
&
Trip Pulse Time
Close Pulse TimeMan Close Delay
CB Healthy Time
Check Sync Time
Note: If the DDB signal CB Healthy is not mapped in PSL it defaults to High .
Figure 252: CB Control logic diagram (Module 43)
P543i/P545i Chapter 17 - Monitoring and Control
P54x1i-TM-EN-1 449

Table of Contents

Related product manuals