EasyManua.ls Logo

GE Multilin EPM 2200 - Page 47

GE Multilin EPM 2200
116 pages
To Next Page IconTo Next Page
To Next Page IconTo Next Page
To Previous Page IconTo Previous Page
To Previous Page IconTo Previous Page
Loading...
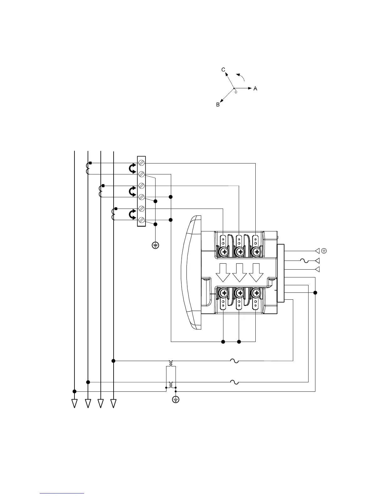
CHAPTER 4: ELECTRICAL INSTALLATION ELECTRICAL CONNECTION DIAGRAMS
EPM 2200 POWER METER – INSTRUCTION MANUAL 4–13
4.2.5 (4) Wye, 4-Wire with 2 PTs and 3 CTs, 2.5 Element
For this wiring type, select 2.5EL WYE (2.5-element Wye) in the meter programming setup.
Figure 4-10: 4-Wire Wye with 2 PTs and 3 CTs, 2.5 Element
lc
HI
LO
lb
HI
LO
la
HI
LO
Earth Ground
Earth Ground
L(+)
Power
Supply
Connection
N(-)
L(+)
GND
N(-)
Vref
Va
Vb
Vc
LINE
LOAD
CT
Shorting
Block
FUSES
2 x 0.1A
FUSE
3A
C
C
B
B
A
A
N
N

Table of Contents

Related product manuals