EasyManua.ls Logo

gefran SIEIDrive AVy Series - Ramp reference Block

gefran SIEIDrive AVy Series
156 pages
Print Icon
To Next Page IconTo Next Page
To Next Page IconTo Next Page
To Previous Page IconTo Previous Page
To Previous Page IconTo Previous Page
Loading...
AVy -HGB
Ch.7 100
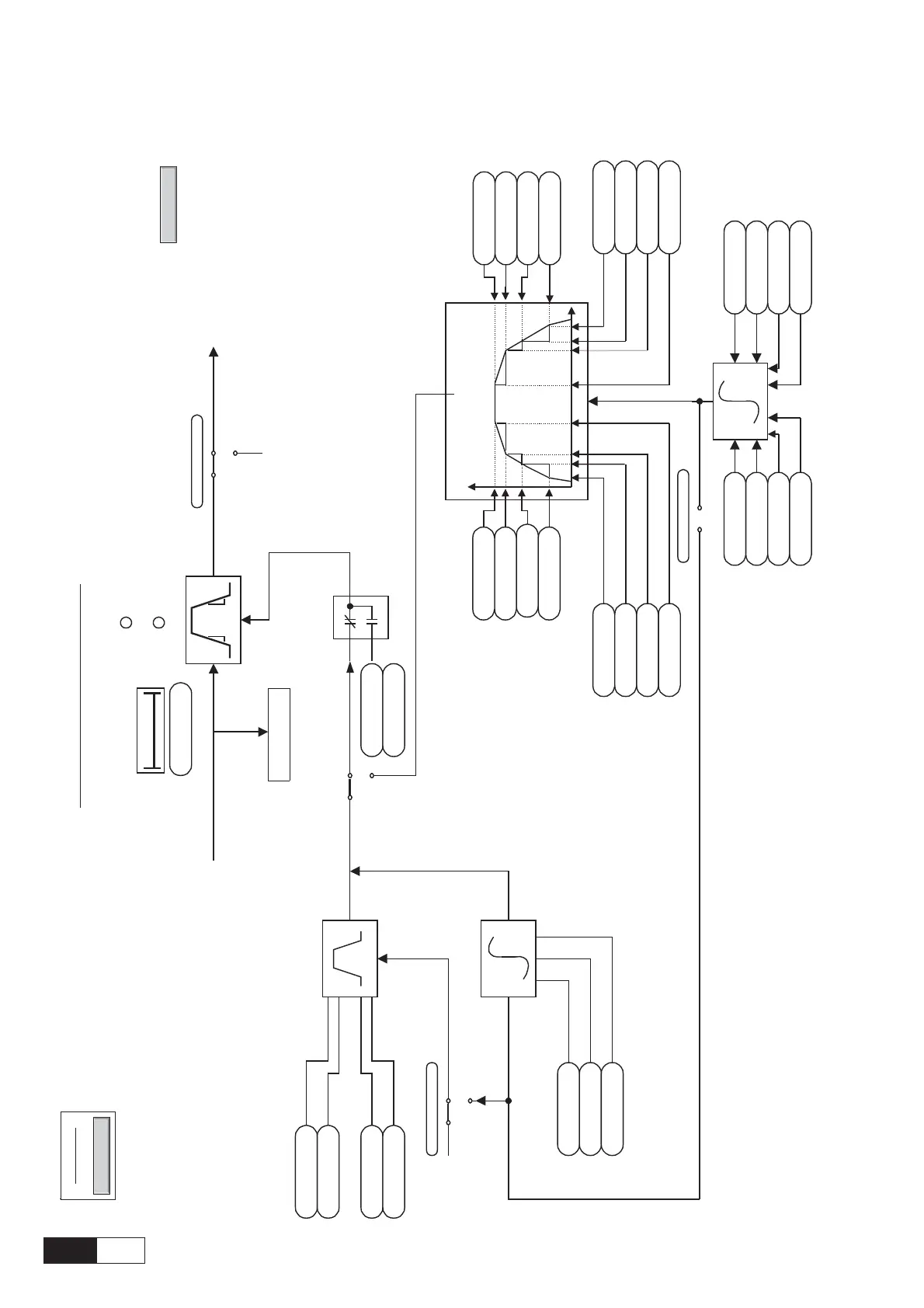
Ramp reference Block
MultiRamp FunctionSpeed
t
Quick stop
F
AVy_Ovr_RfSel
Back
NAVIGATION
Reference Ramp
AVy_Sreg
To SpeedReference
generation
F
Linear
S-shape
S-shape
T
0
t
Linear
T
Freeze ramp
COMMAND
From
Rampin=0
To
Rampout=0
Acc delta speed 1
100 rpm
Dec delta speed 1
100 rpm
Acc delta speed
100 rpm
Dec delta speed
100 rpm
Acc delta speed 2
100 rpm
Dec delta speed 2
100 rpm
Acc delta time
1s
Dec delta time
1s
QStp delta speed
1000 rpm
Enab multi rmp
QStp delta time
1s
Acc delta speed0
100 rpm
Acc delta speed 3
100 rpm
Dec delta speed0
100 rpm
Dec delta speed 3
100 rpm
Acc delta time 0
1s
Acc delta time 1
1s
Acc delta time 2
1s
Acc delta time 3
1s
Dec delta time 0
1s
Dec de
lta time 1
1s
Dec delta time 2
1s
Dec delta time 3
1s
S acc t const 0
500 ms
S acc t const 1
500 ms
S acc t const 2
500 ms
S acc t const 3
500 ms
S dec t const 0
500 ms
S dec t const 1
500 ms
S dec t const 2
500 ms
S dec t const 3
500 ms
Ramp ref (d)
Ramp shape
S shape t const
500 ms
S acc t const
500 ms
S dec t const
500 ms
Ramp shape
Ramp +
Ramp -
Ramp +/- delay
100 ms
Freeze ramp
File name:AVy_Ramp.vsd

Table of Contents

Related product manuals