EasyManua.ls Logo

Graco Reactor A-XP1 - Page 45

Graco Reactor A-XP1
64 pages
Print Icon
To Next Page IconTo Next Page
To Next Page IconTo Next Page
To Previous Page IconTo Previous Page
To Previous Page IconTo Previous Page
Loading...
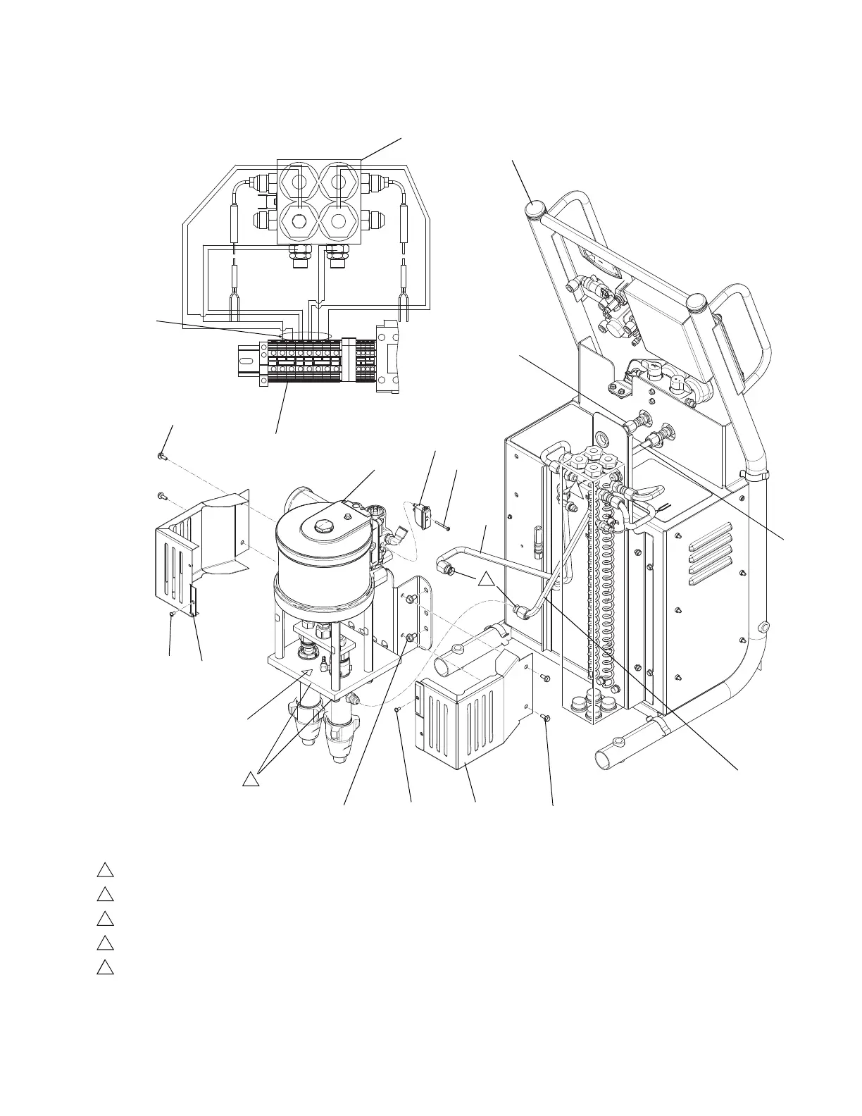
Parts
3A1570V 45
WLE
93
7
5
13 (x2)
63
63
13 (x2)
2
68
69
24
22
21
23
15
15
61
9 (x4)
25 (x2)
Torque pump locking nuts to 66-74 ft-lbs (90-100 N•m).
Apply anaerobic polyacrylate pipe sealant to all non-swiveling pipe threads.
Torque tube ends to 212-265 in-lbs (24-30 N•m).
Connect ground wire (94) from motor lug to ground lug in cabinet.
For Series A only.
1
2
3
4
5
1
3

Table of Contents

Related product manuals