EasyManua.ls Logo

Gravely Promaster 400 - Lift System; Lift System Schematic

Gravely Promaster 400
66 pages
Print Icon
To Next Page IconTo Next Page
To Next Page IconTo Next Page
To Previous Page IconTo Previous Page
To Previous Page IconTo Previous Page
Loading...
8 - 40
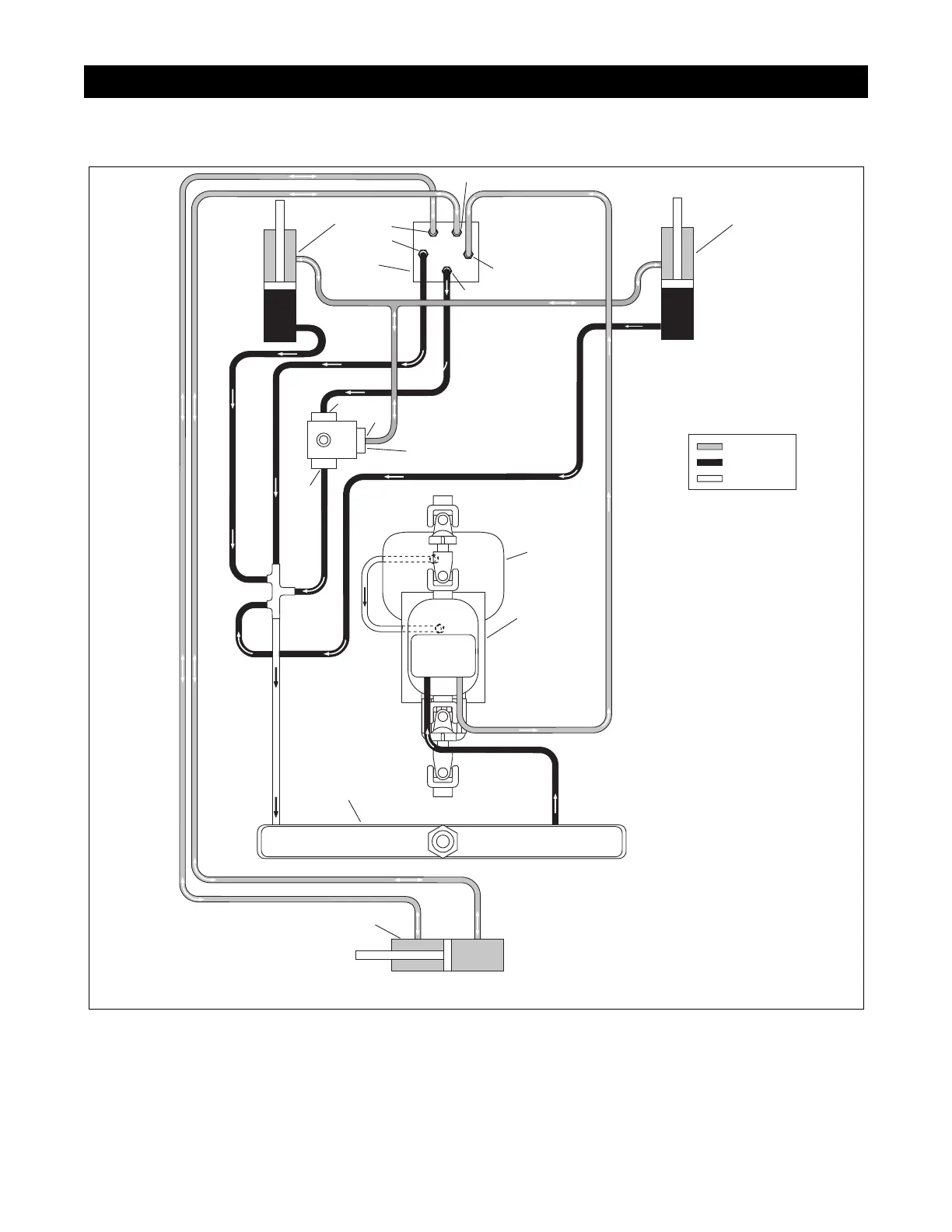
8.1 LIFT SYSTEM SCHEMATIC
SECTION 8 - LIFT SYSTEM
PRESSURE
RETURN
SUCTION
INOUT
AUX
LT RT
TRANSAXLE
STEERING
CYLINDER
TRANSMISSION
LIFT
CYLINDER
HYDRULIC
VALVE
POWER
STEERING
UNIT
IN
EXHAUST
OUT
PORT A
PORT C
PORT E
PORT D
PORT B
PORT F
PORT G
PORT H
RADIATOR
LIFT
CYLINDER
Figure 53

Table of Contents

Related product manuals