EasyManua.ls Logo

Gravely Promaster 400 - Four Wheel Assist Wiring Schematic; Hydraulic Hoses

Gravely Promaster 400
66 pages
Print Icon
To Next Page IconTo Next Page
To Next Page IconTo Next Page
To Previous Page IconTo Previous Page
To Previous Page IconTo Previous Page
Loading...
11 - 57
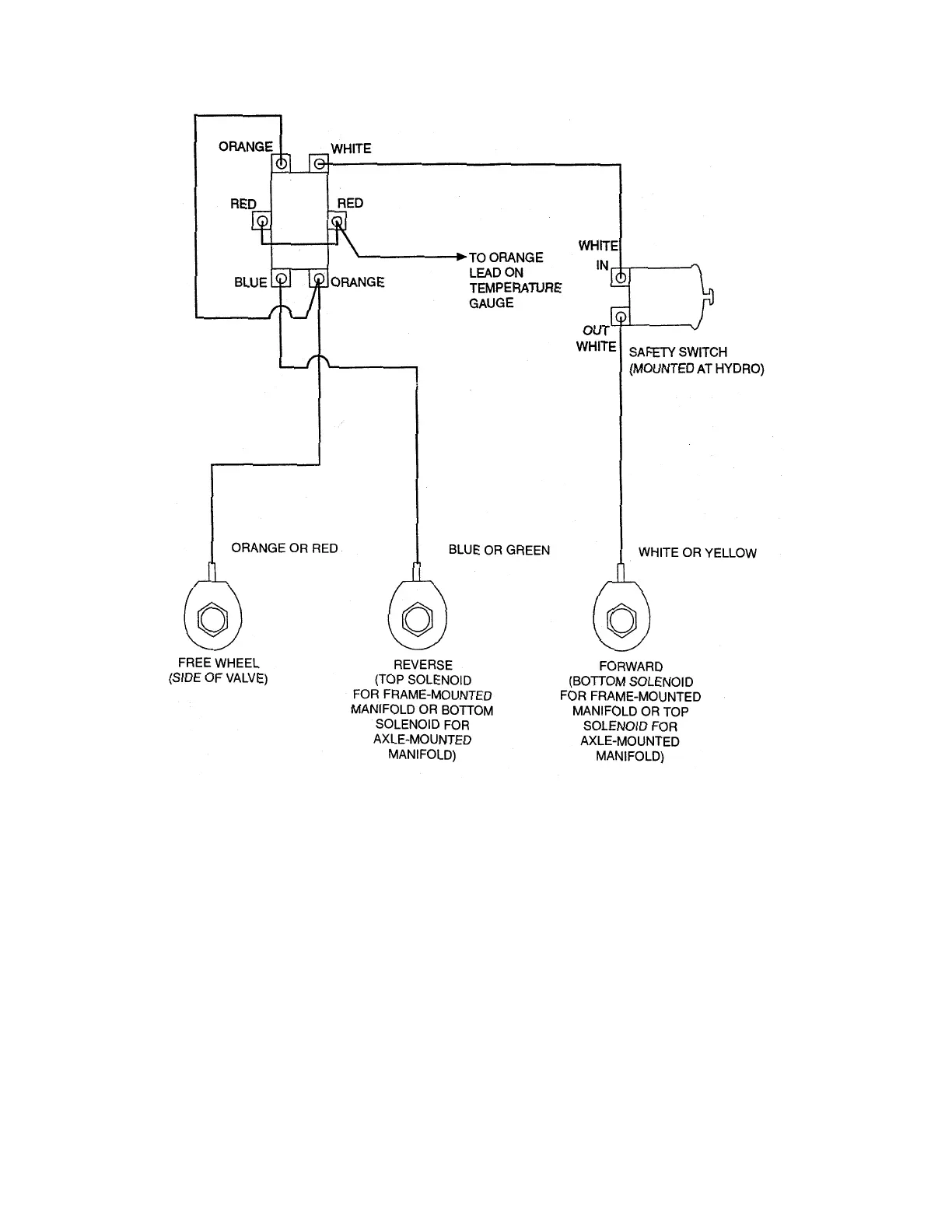
11.2 FOUR WHEEL ASSIST WIRING
SCHEMATIC
11.3 HYDRAULIC HOSES
NOTE: When loosening or tightening any hydraulic
hoses, use the correct wrench. If hoses are to be dis-
connected or reconnected at a fitting, use two
wrenches, one on the hose and one on the fitting, to
prevent damage by twisting off the fitting.
1. When disconnecting hoses, have an open-top
container to drain hydraulic oil into.
2. Clean all fittings and hoses where maintenance is
to be performed, prior to removing hoses to avoid
hydraulic system contamination. Cap hoses,
fittings and hydraulic component ports.
3. Repair or replace any worn or damaged hydraulic
items.
4. Fittings which use an O-ring seal do not use a
hydraulic sealer for preventing leaks. Fittings
without an O-ring seal should use a hydraulic
sealer. Use caution not to get hydraulic sealer
into hydraulic system.
5. After any hydraulic hose maintenance, refer to
Hydraulic System Servicing and Hydraulic System
Bleeding if required.

Table of Contents

Related product manuals