EasyManua.ls Logo

HBM AE501 - 5 TS101 Automatic tare and Store unit

HBM AE501
50 pages
Print Icon
To Next Page IconTo Next Page
To Next Page IconTo Next Page
To Previous Page IconTo Previous Page
To Previous Page IconTo Previous Page
Loading...
30
Clip
HBM A0114-6.3 en
5 TS101 Automatic tare and store unit
5.1 General
The TS101 automatic tare and store unit is an additional Clip electronics mod-
ule for further signal processing. The TS101 enables signals supplied by an
amplifier connected in series to be tared and stored.
5.2 Function
The TS101 enables the below functions to be activated at the same time:
D tare and save a current value or a peak value (Minimum value or maximum
value or peak-to-peak-value or envelope curve)
or
D save minimum value and maximum value (no taring)
5.2.1 Taring
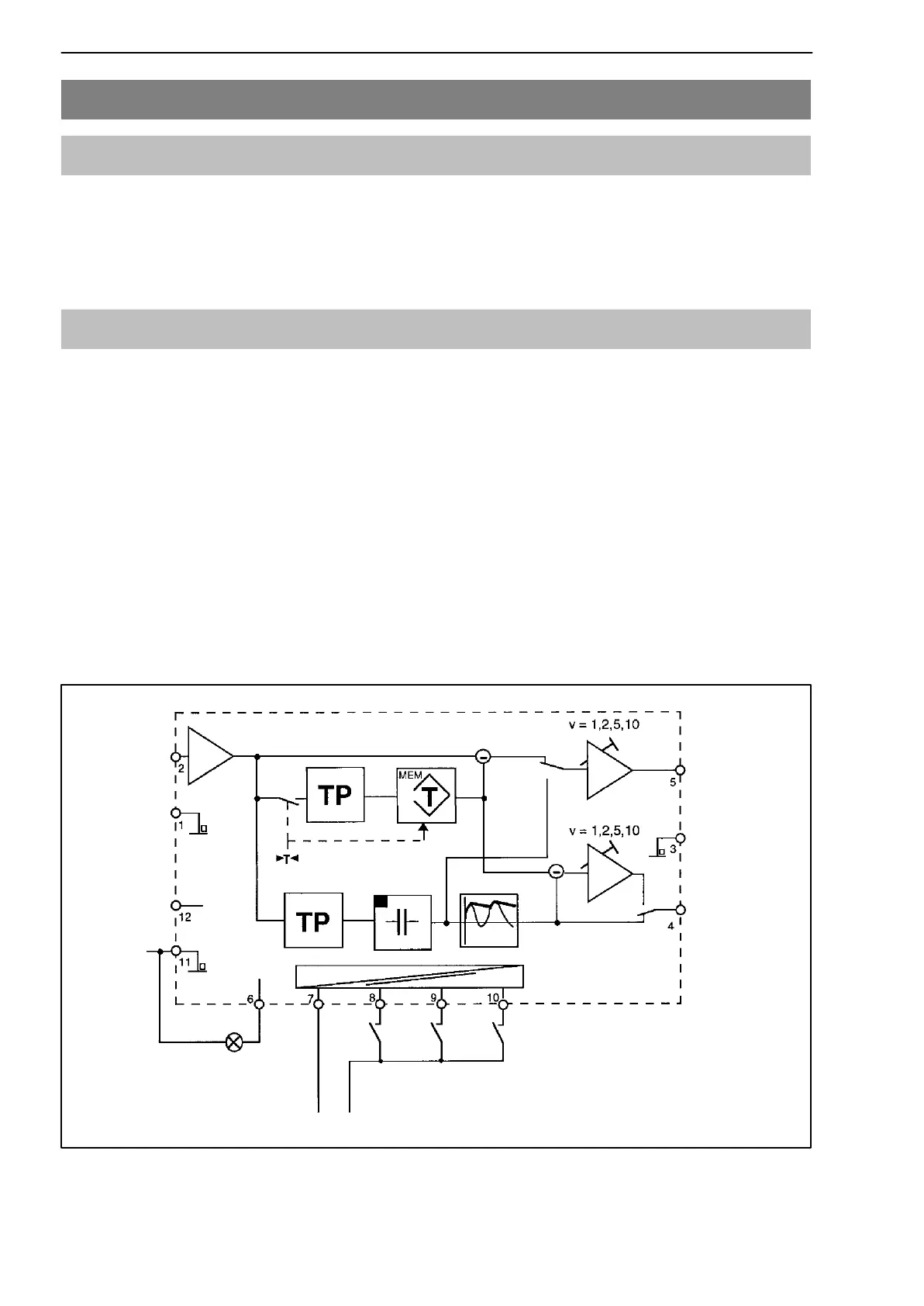
Use the ”Tare” control input (terminal 10) to start taring. To ensure correct ac-
quisition of the tare value even in the case of unstable input signals, an ad-
justable low-pass can be used to filter the tare unit’s input signal. In addition,
the net signal can be amplified.
Input
"10 V
Control inputs
RDY
0V
24 VDC (15...30 V)
Valid tare
Clear/Peak TareRun/Hold
Output ("10 V)
Tare
or peak value
(max.)
Output ("10 V)
Peak value
(min, max,
peak-to-peak,
envelope curve)
Supply
15 ... 30 V DC
Fig. 5.1: Block diagram

Related product manuals