EasyManua.ls Logo

HBM T40 - Page 65

HBM T40
68 pages
Print Icon
To Next Page IconTo Next Page
To Next Page IconTo Next Page
To Previous Page IconTo Previous Page
To Previous Page IconTo Previous Page
Loading...
65
T40
HBMA24633.0en/de
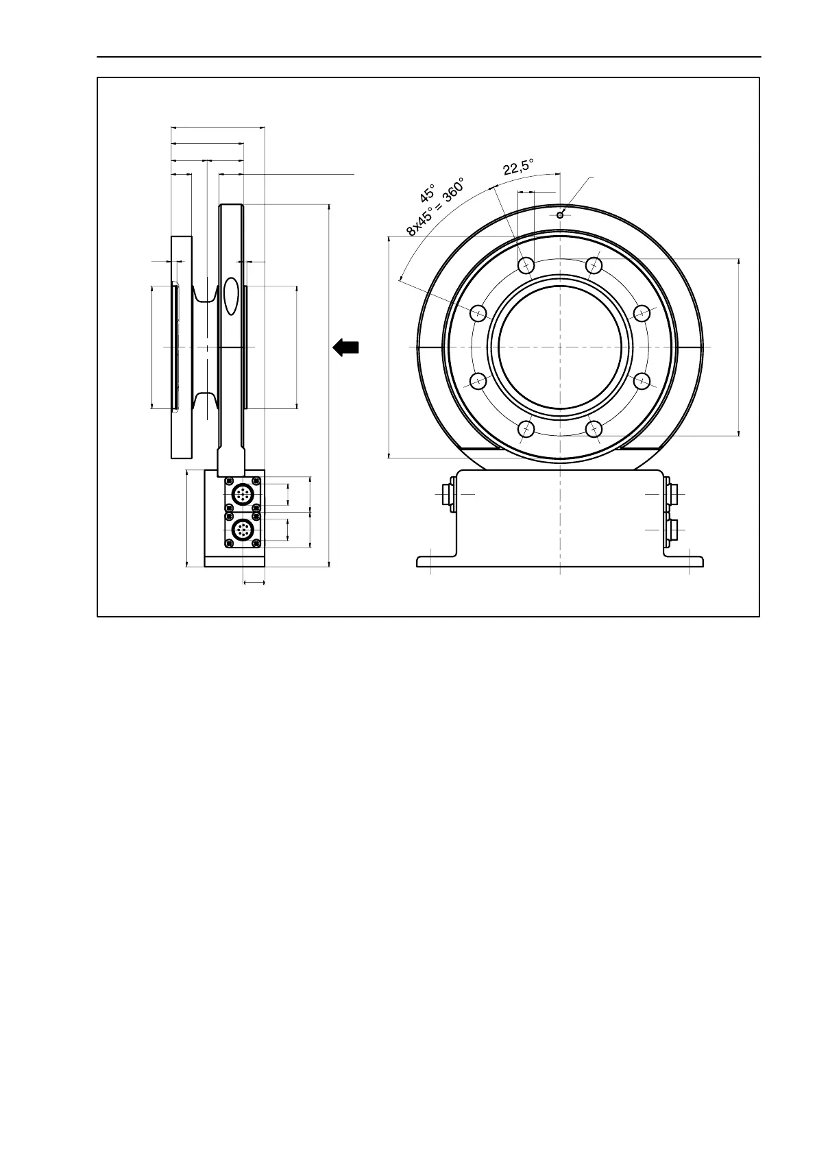
18
entspr. Statorring wie
Messkörperflansch
(Einschraubtiefe)
4,2 zur Axialsicherung
12
163
130
266
90
g5
90
H6
4,2 2,5
68,5
53
26,75(26,25)
15
Schwerpunkt
71
16
j26
16
j26
Ansicht B (T40/2kN@m und 3kN@m)
B
16
Ansicht B

Table of Contents

Related product manuals