EasyManua.ls Logo

HBM T40 - T40;2 Kn@M and 3 Kn@M

HBM T40
68 pages
Print Icon
To Next Page IconTo Next Page
To Next Page IconTo Next Page
To Previous Page IconTo Previous Page
To Previous Page IconTo Previous Page
Loading...
31
T40
HBMA24633.0en/de
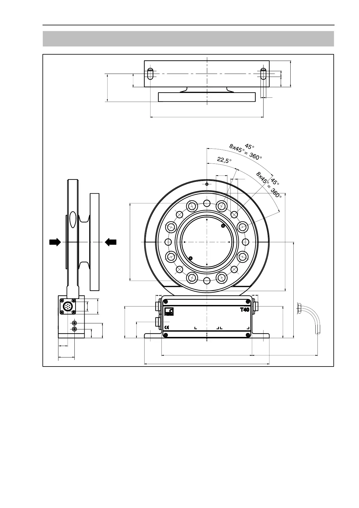
9.2 T40/2kN@m and 3kN@m
(22)
44
10
17
9
190
19
M12
130
164
A
161
53
53
27
152
210
approx. 100
10
10
27.1
15
25
(LED 1)
(LED 2)
View A
B
16
16
j26
Mounting dimension
(46.5)

Table of Contents

Related product manuals