EasyManua.ls Logo

HEKA EPC 9 - Page 100

HEKA EPC 9
101 pages
Print Icon
To Next Page IconTo Next Page
To Next Page IconTo Next Page
To Previous Page IconTo Previous Page
To Previous Page IconTo Previous Page
Loading...
Technical Data EPC9 Manual 100
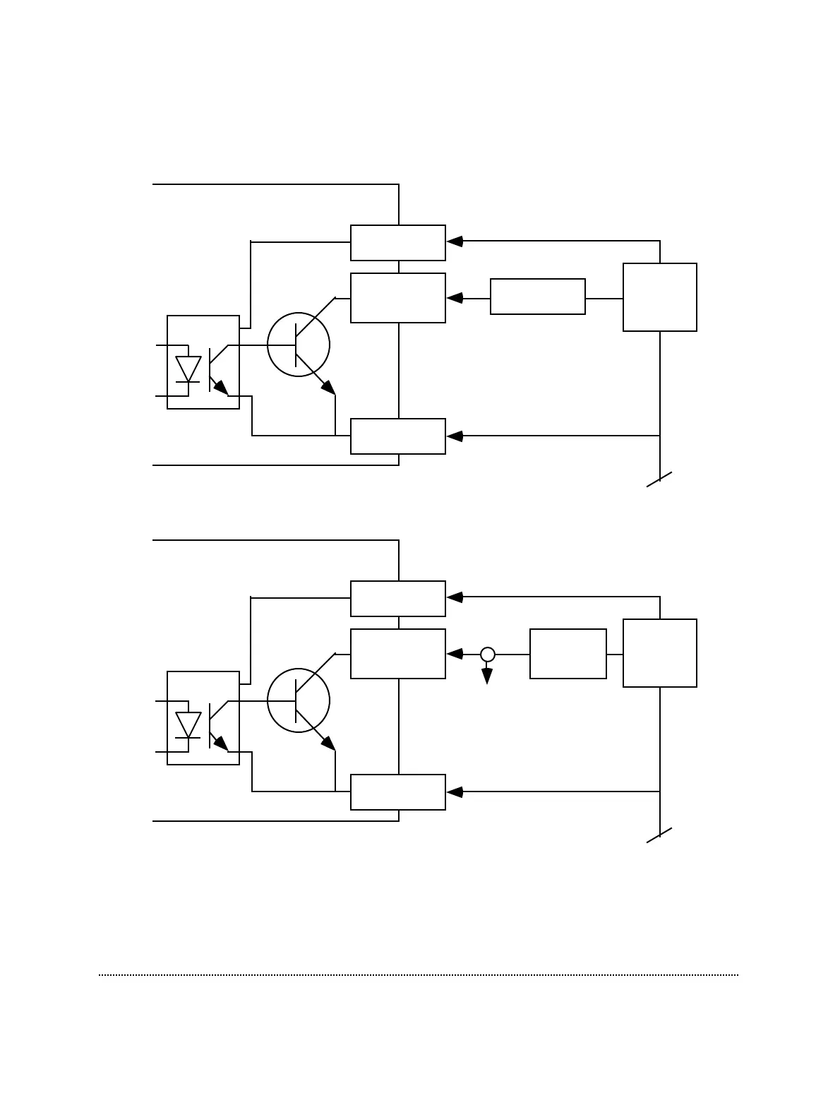
connections. The current drivers can sink up to 1 A current. The maximal power
supply voltage should not exceed 24V.
Arrangement for current driven devices
Arrangement to generate TTL signals
Valve
OPTO
TRIGGER
OUT
Power IN
EPC 9 Double External
+5 .. 24V
Power
supply
Ground IN
Ground
OPTO
TRIGGER
OUT
Power IN
EPC 9 Double External
+5V
Power
supply
Resistor
5 kOhm
Ground IN
TTL
Ground

Table of Contents