EasyManua.ls Logo

HER CHEE ATV-600 - IGNITION SYSTEM

HER CHEE ATV-600
235 pages
Print Icon
To Next Page IconTo Next Page
To Next Page IconTo Next Page
To Previous Page IconTo Previous Page
To Previous Page IconTo Previous Page
Loading...
Ch. 18 ELECTRICAL EQUIPMEMNT
18-8
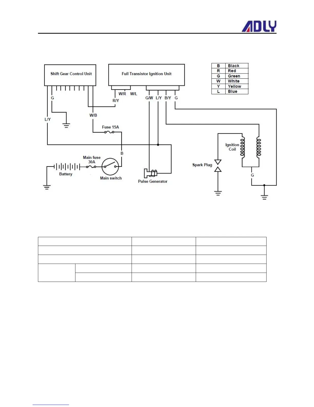
IGNITION SYSTEM
Ignition Circuit Diagram
C.D.I unit
Disconnect connectors of the C.D.I unit.
Check the following connectors as indicated in the table at the harness side.
Item Points to check Result
Main switch turn to “ON” position G ~ W/B Battery voltage
Pulse generator G/W ~ L/Y
480 ~ 550Ω
Primary circuit B/Y ~ GND
2.8 ±15%Ω
Ignition coil
Secondary circuit B/Y ~ with cap 14 ±10%K

Related product manuals