EasyManua.ls Logo

Highlight PREDATOR XS - Page 79

Highlight PREDATOR XS
97 pages
Print Icon
To Next Page IconTo Next Page
To Next Page IconTo Next Page
To Previous Page IconTo Previous Page
To Previous Page IconTo Previous Page
Loading...
PREDATOR XS TURNTABLE STRETCH WRAPPER OPERATION MANUAL
HIGHLIGHT INDUSTRIES, INC. ● 2694 PRAIRIE SW; WYOMING; MI 49519 ● 1-800-531-2465
VI-16
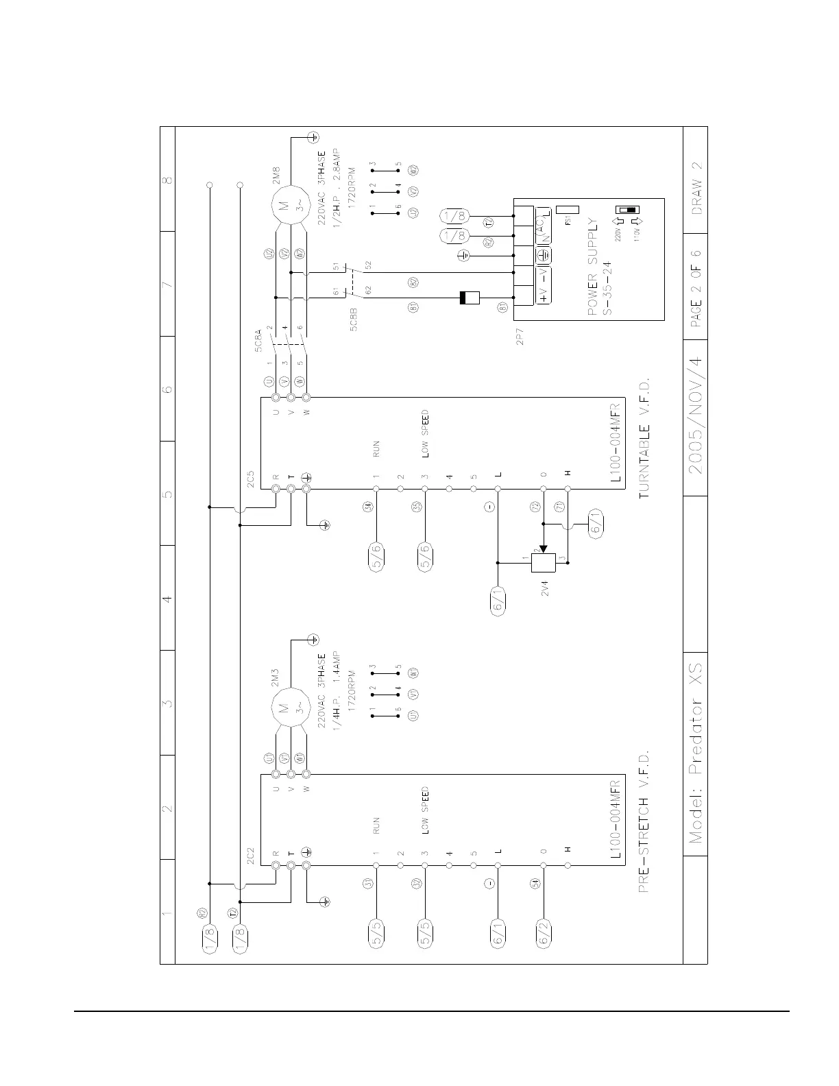
Electrical Schematics (Continued)

Table of Contents

Related product manuals