EasyManua.ls Logo

Hisun HS 200UTV-2 - Illustrated Contents

Hisun HS 200UTV-2
57 pages
Print Icon
To Next Page IconTo Next Page
To Next Page IconTo Next Page
To Previous Page IconTo Previous Page
To Previous Page IconTo Previous Page
Loading...
Introduction HS 200UTV-2/HS 250UTV-2
1-6
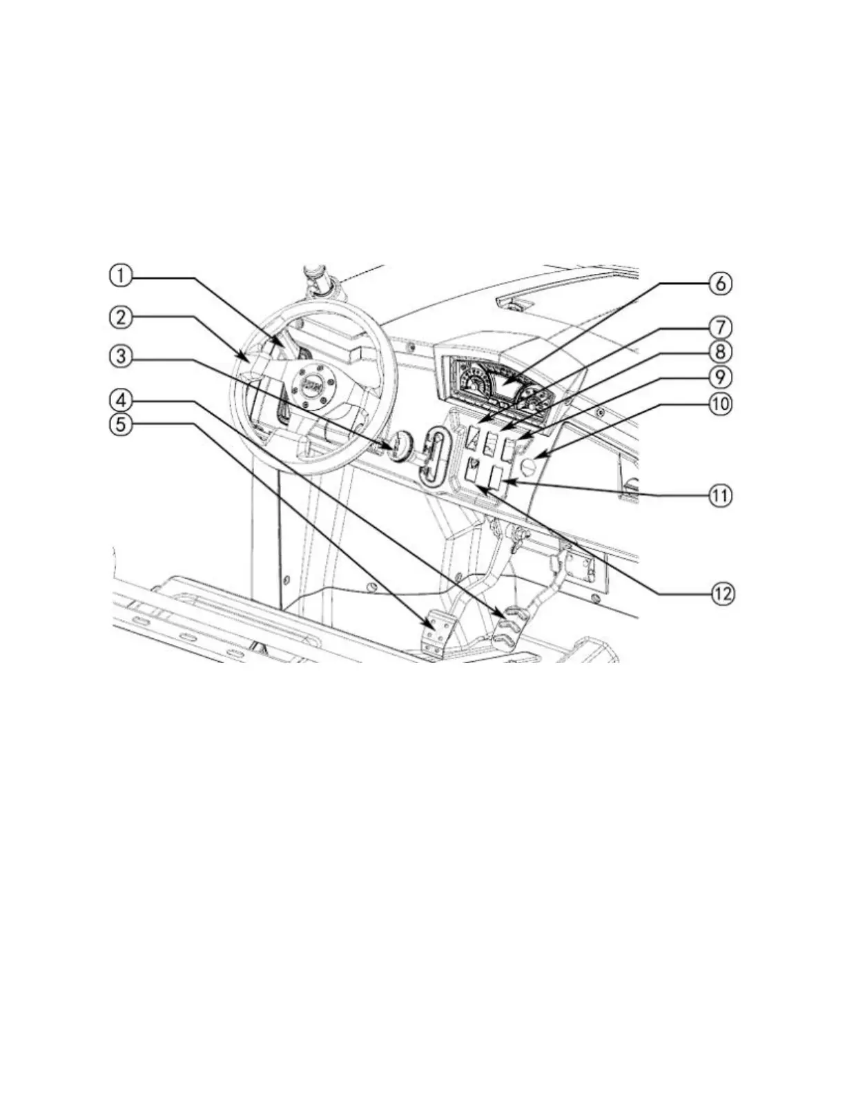
ILLUSTRATED CONTENTS
Parking brake lever
Steering wheel
Range gear shift lever
Accelerate pedal
Brake pedal
Fuel gauge
Headlights switch
High beam / Low beam
Emergency light switch
DC-socket
11
Winch in /out
12
Turn signal lights

Related product manuals