EasyManua.ls Logo

Honeywell NOTIFIER AM1000 - Conenction Detectors Modules

Honeywell NOTIFIER AM1000
19 pages
Print Icon
To Next Page IconTo Next Page
To Next Page IconTo Next Page
To Previous Page IconTo Previous Page
To Previous Page IconTo Previous Page
Loading...
AM-1000 Installation manual PAGE - 7
AM1000_manu Doc. M-145.1-AM1000-ENG Rev A.2 NOTIFIER ITALIA
C
C
O
O
N
N
N
N
E
E
C
C
T
T
I
I
O
O
N
N
O
O
F
F
D
D
E
E
T
T
E
E
C
C
T
T
O
O
R
R
S
S
A
A
N
N
D
D
M
M
O
O
D
D
U
U
L
L
E
E
S
S
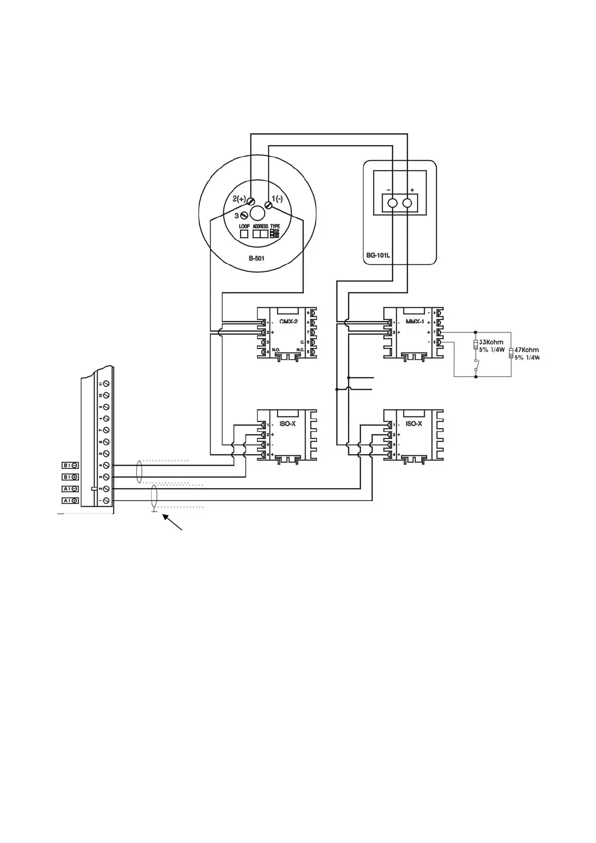
Example of closed line (style 6)
CONNECT TO PANEL EARTH
% NOTE 1: It is not possible to connect devices for the transmission of alarms (telephone dialer,
etc.) to this output, see the EN 54.2.
Base B-501
To be used with analog detectors
Derivazioni separate ad
Altro dispositivo del loop
NOTA1
CN0

Other manuals for Honeywell NOTIFIER AM1000

Related product manuals