EasyManua.ls Logo

HP 8904A - Page 37

HP 8904A
281 pages
Print Icon
To Next Page IconTo Next Page
To Next Page IconTo Next Page
To Previous Page IconTo Previous Page
To Previous Page IconTo Previous Page
Loading...
Model
8904A
Operation
L
1
c
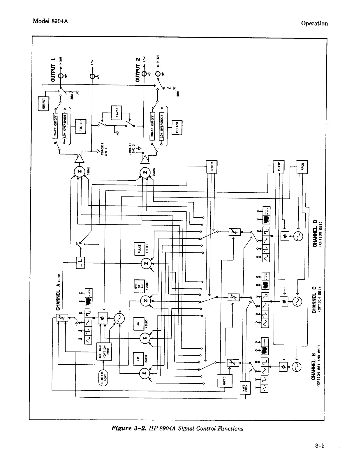
Figure
3-2.
HP 8904A
Signal
Control
finctions
3-5
Artisan Technology Group - Quality Instrumentation ... Guaranteed | (888) 88-SOURCE | www.artisantg.com

Table of Contents

Other manuals for HP 8904A

Related product manuals