EasyManua.ls Logo

HP ProCurve 5300xl Series - Page 176

HP ProCurve 5300xl Series
664 pages
To Next Page IconTo Next Page
To Next Page IconTo Next Page
To Previous Page IconTo Previous Page
To Previous Page IconTo Previous Page
Loading...
Spanning-Tree Operation
The RSTP (802.1w) and STP (802.1D) Spanning Tree Options
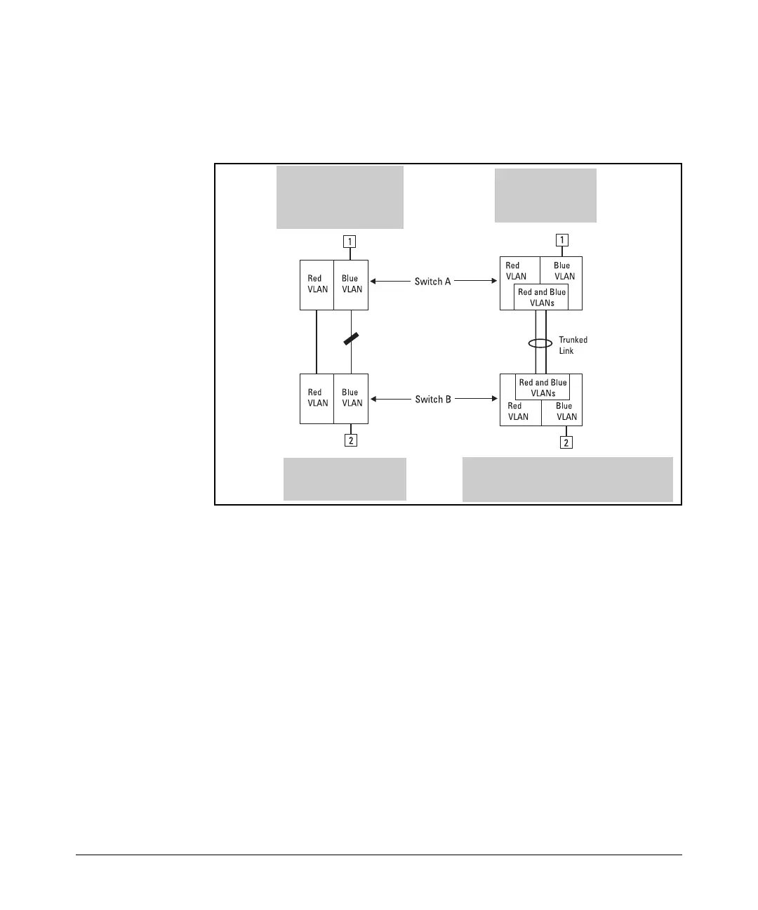
dant links by using a port trunk. The following example shows how you can
use a port trunk with 802.1Q (tagged) VLANs and spanning tree without
unnecessarily blocking any links or losing any bandwidth.
Problem:
STP enabled with 2
separate (non-trunked)
links blocks a VLAN link.
Solution:
STP enabled with
one trunked link.
Nodes 1 and 2 cannot
communicate because
STP is blocking the link.
Nodes 1 and 2 can communicate because STP
sees the trunk as a single link and 802.1Q (tagged)
VLANs enable the use of one (trunked) link for
both VLANs.
Figure 6-3. Example of Using a Trunked Link with STP and VLANs
6-8

Table of Contents

Other manuals for HP ProCurve 5300xl Series

Related product manuals