EasyManua.ls Logo

Huawei SUN2000L - Page 13

Huawei SUN2000L
151 pages
Print Icon
To Next Page IconTo Next Page
To Next Page IconTo Next Page
To Previous Page IconTo Previous Page
To Previous Page IconTo Previous Page
Loading...
SUN2000L-(2KTL-5KTL)
User Manual
2 Product Overview
Huawei Proprietary and Confidential
Copyright © Huawei Technologies Co., Ltd.
6
No.
Meaning
Description
2
Power level
2K: The power level is 2K.
3K: The power level is 3K.
3.68K: The power level is 3.68K.
4K: The power level is 4K.
4.6K: The power level is 4.6K.
5K: The power level is 5K.
3
Topology
TL: transformerless
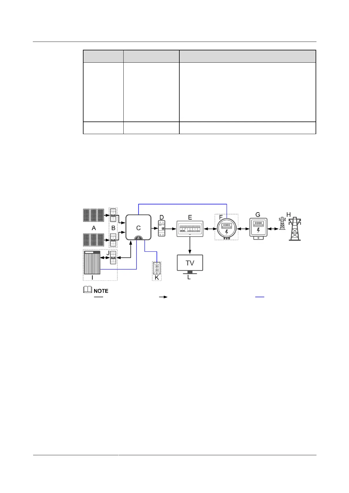
Networking Application
The SUN2000L applies to a residential rooftop grid-tied system. Typically, a grid-tied system
consists of the PV string, grid-tied inverter, AC switch, and power distribution unit.
Figure 2-2 Network diagram (optional in dashed boxes)
indicates a power cable, indicates the power flow direction, and indicates a signal
cable.
(A) PV string
(B) DC switch
(C) SUN2000L
(D) AC switch
(E) Residential power distribution
unit
(F) Energy meter
(G) Residential power
meter
(H) Power grid
(I) Battery
(J) Battery switch
(K) Alarm beacon
(L) Residential
load
Supported Power Grid
Power grid types supported by the SUN2000L include TN-S, TN-C, TN-C-S, and TT. In a TT
power grid, the N-PE voltage should be lower than 30 V.

Table of Contents

Related product manuals