EasyManua.ls Logo

Huawei SUN2000L - Preparing Cables

Huawei SUN2000L
151 pages
Print Icon
To Next Page IconTo Next Page
To Next Page IconTo Next Page
To Previous Page IconTo Previous Page
To Previous Page IconTo Previous Page
Loading...
SUN2000L-(2KTL-5KTL)
User Manual
5 Electrical Connections
Huawei Proprietary and Confidential
Copyright © Huawei Technologies Co., Ltd.
35
5.1 Preparing Cables
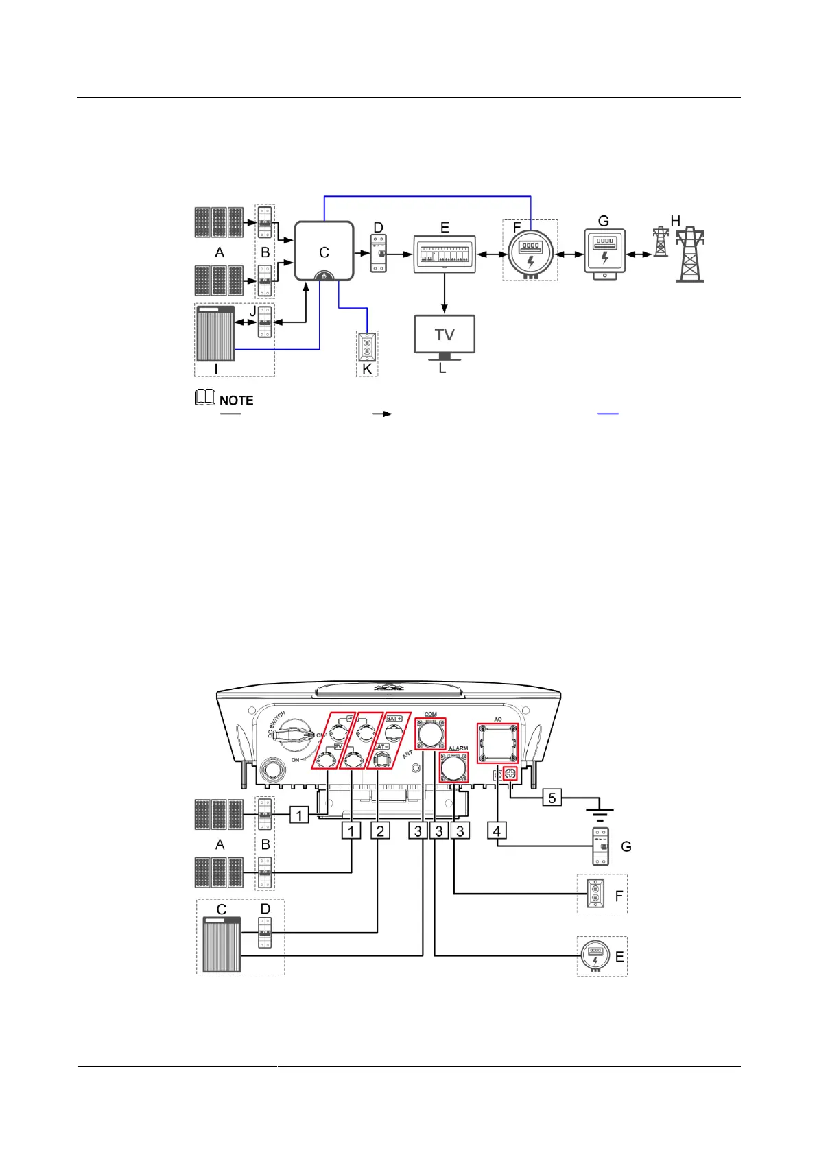
Figure 5-1 Network diagram (optional in dashed boxes)
indicates a power cable, indicates the power flow direction, and indicates a signal
cable.
(A) PV string
(B) DC switch
(C) SUN2000L
(D) AC switch
(E) Residential power distribution
unit
(F) Energy meter
(G) Residential power
meter
(H) Power grid
(I) Battery
(J) Battery switch
(K) Alarm beacon
(L) Residential
load
Figure 5-2 SUN2000L cable connections (optional in dashed boxes)

Table of Contents

Related product manuals