EasyManua.ls Logo

HUSABERG "05 - Schaltpläne (Wiring Diagrams); Husaberg FC 04-05 Wiring Diagram

HUSABERG "05
72 pages
Print Icon
To Next Page IconTo Next Page
To Next Page IconTo Next Page
To Previous Page IconTo Previous Page
To Previous Page IconTo Previous Page
Loading...
- 1 -
ANHANG-APPENDIX
APPENDICE
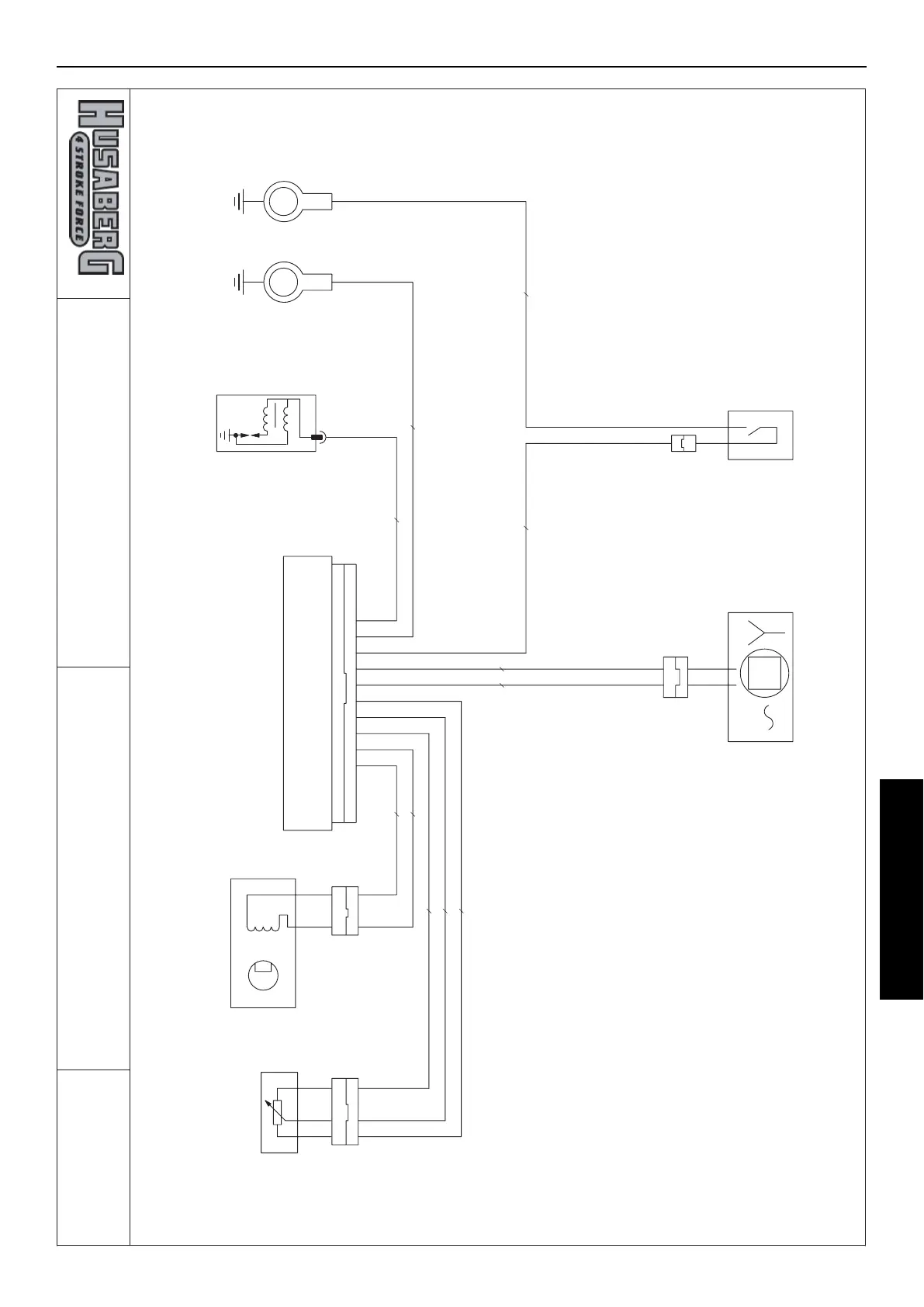
SCHALTPLÄNE
4002.30.01
50-40 CF grebasuH
G
3
red-black
wolley
eulb
neerg
kcalb
rotareneg
lioc noitingi
003.570.11.008
rosnes noitisop elttorht
pu kcip
I
D
C
nottub pots
k
c
al
b
-
wolle
yk
c
a
l
b
nworb
der
etihw-eu
lb
red-white

Table of Contents

Related product manuals