EasyManua.ls Logo

HUSABERG "05 - Husaberg FE;FS 2005 Wiring Diagram

HUSABERG "05
72 pages
Print Icon
To Next Page IconTo Next Page
To Next Page IconTo Next Page
To Previous Page IconTo Previous Page
To Previous Page IconTo Previous Page
Loading...
- 2 -
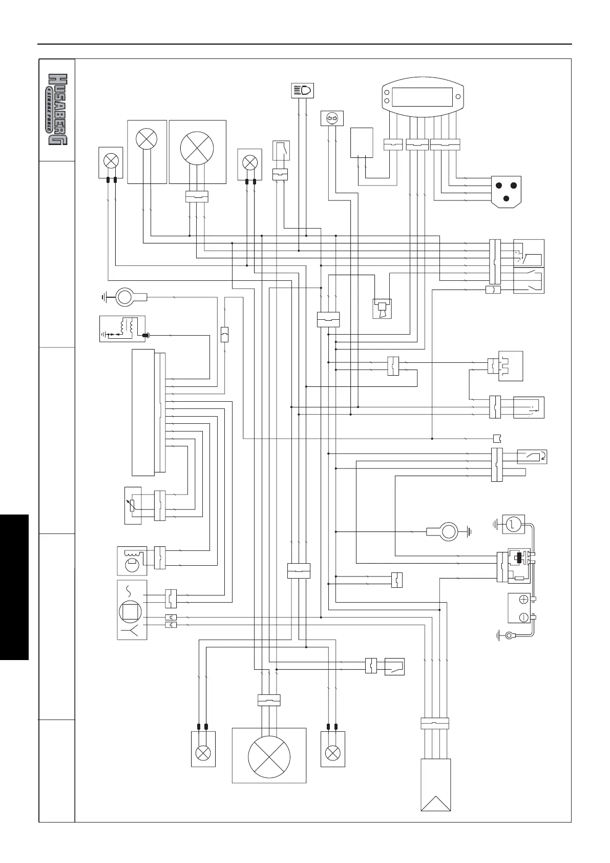
ANHANG-APPENDIX
APPENDICE
SCHALTPLÄNE
rehsalf raer thgir
h
c
ti
w
s ma
eb
wol
/h
g
i
h
n
o
tt
ub
p
o
ts
hctiws n
r
oh
yaler rehsalf
h
w
r
b
rb
lb
rb
ng-hw
ey
rotarene
g
lb-rb
er-ey
rb
wh
G
3
bu
gn
ye-re
bl
pu
ye-re
wh-re
bl
br
br
ye-re
br
wh-gn
ye
ye-bl
ye-bl
br
bl-wh
ye-bl
br
bu-wh
re-wh
re-bl
gn
re
bl
ye
bu
bu
ye
bl
re
margaid gniriw
gn
re-bl
re-wh
ye
rehsalf raer tfel
5002 SF/EF grebasuH
up
rb
005.570.11.008- ssenrah niam
rb
4002.30.11
rb
lb-
e
ylb-e
y
ey
er-ey
rb
br
ye-re
br
ye-re
rehsal
f
tnor
f
tfe
l
SPT
U
reifitcer-rotaluger
pu
kcip
hctiw
s re
h
salf
wh
ye-re
naf gnilooc
I
D
C
er-ey
raer
hctiws ekarb
up
rotom retrats
y
r
et
t
a
by
al
e
r
t
r
a
t
s
01
M
A
lioc
n
oi
ti
ng
i
l
b
rb
headlight
re-wh
ey
flasher control lamp
rb
up
G
h
w
u
b
n
g
br
wh
bu
re
br
lb
lb
re
ye
u
b
rb
l
b
u
p
multi-func.-digital-speedometer
r
ehsalf tnorf thgir
brake switch
front
position light
bl
nroh
nottub trats
or
or
black
rear light/brakelight
rb
rosnes deep
s
hw-ng
lb
hw
v
driving light lamp
hct
i
ws r
ab
e
l
d
n
ah
)lanoitpo(

Table of Contents

Related product manuals