EasyManua.ls Logo

HUSABERG Edition 2004 - Page 66

HUSABERG Edition 2004
74 pages
Print Icon
To Next Page IconTo Next Page
To Next Page IconTo Next Page
To Previous Page IconTo Previous Page
To Previous Page IconTo Previous Page
Loading...
- 1 -
ANHANG-APPENDIX
APPENDICE
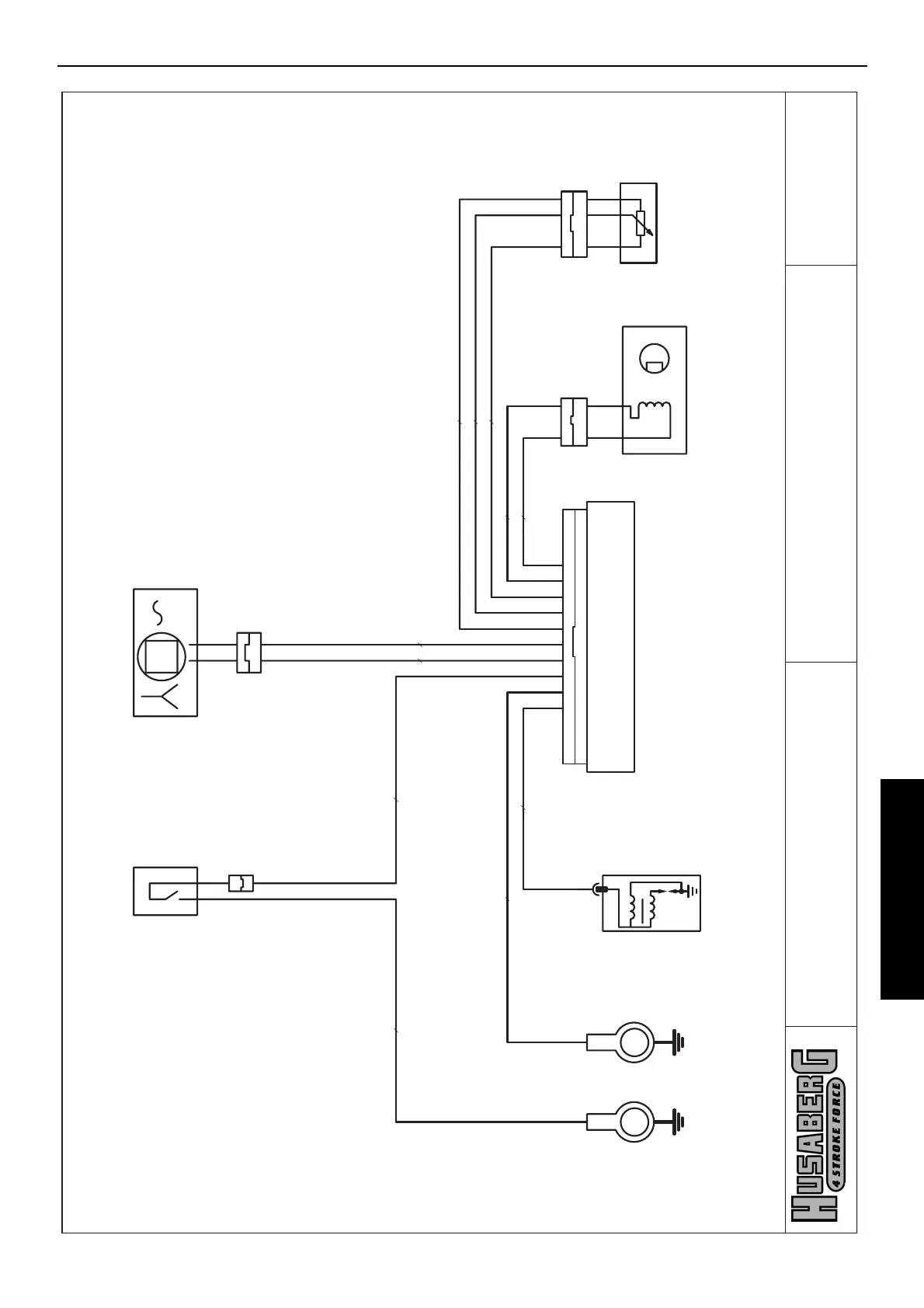
SCHALTPLÄNE
Husaberg FC 04
G
3
red-black
yellow
blue
green
black
generator
ignition coil
800.11.075.300
throttle position sensor
pick up
I
D
C
stop button
yellow-blackblack
brown
red
blue-white
red-white

Table of Contents

Related product manuals