EasyManua.ls Logo

HUSABERG Edition 2004 - SCHALTPLÄNE; wiring diagramm

HUSABERG Edition 2004
74 pages
Print Icon
To Next Page IconTo Next Page
To Next Page IconTo Next Page
To Previous Page IconTo Previous Page
To Previous Page IconTo Previous Page
Loading...
- 2 -
ANHANG-APPENDIX
APPENDICE
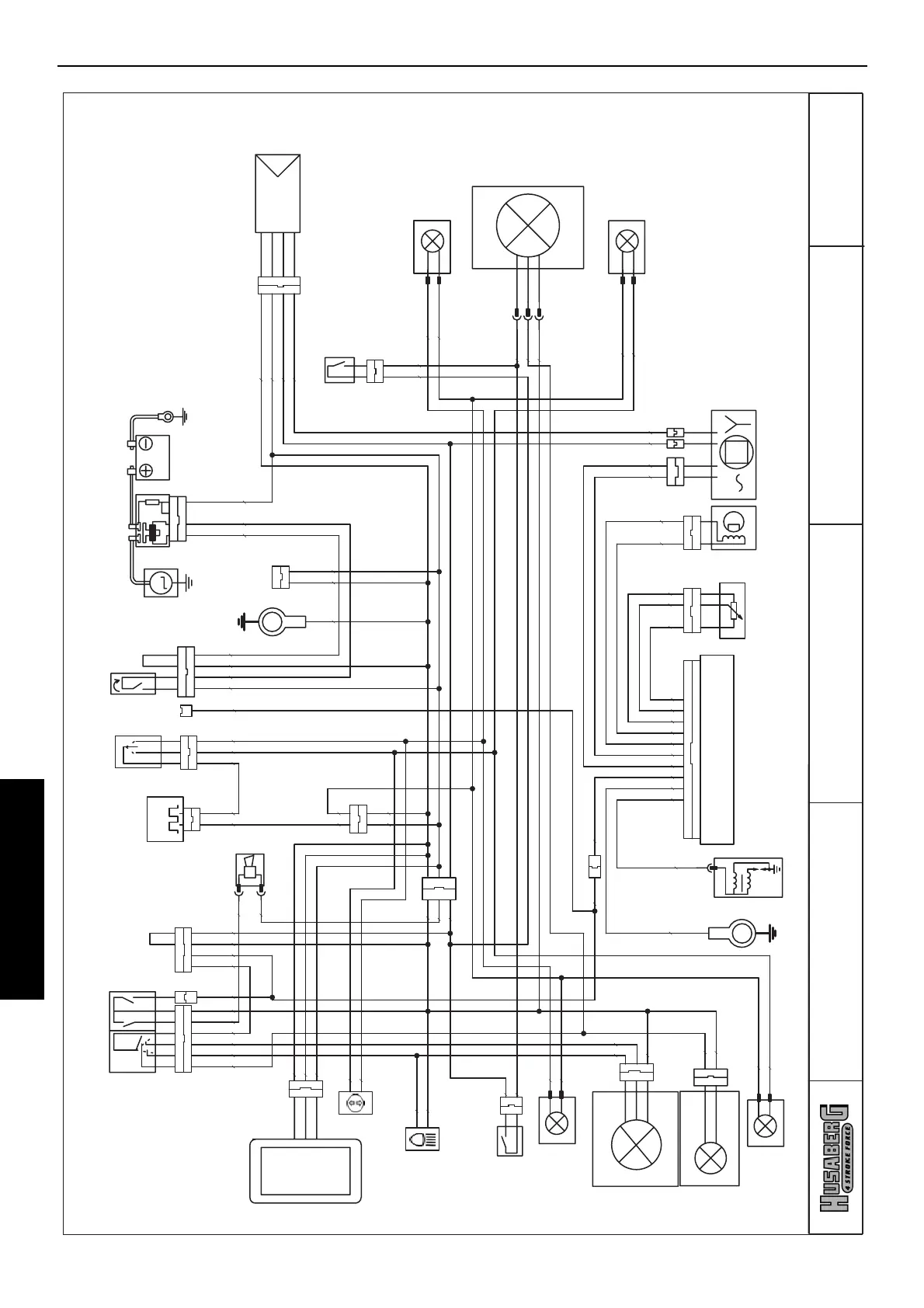
SCHALTPLÄNE
bl
stop buttonhorn switch
br
high/low beam switch
horn
br
front
brake switch
black
ye-bl
br
start bottom
bu-wh
re-wh
re-bl
multi-func.-digital-speedometer
gn
regulator-rectifier
ignition coil
U
re
bl
flasher control lamp
driving light lamp
ye
headlightposition light
left rear flasher
bu
bu
right rear flasher
right front flasher
ye
left front flasher
bl
re
rear
brake switch
TPS
pick up
flasher switch
wh
gn
I
D
C
ye
generator
ye-re
cooling fan
re-bl
re-wh
bl
M
A
starter motor
start relay battery
10
24.03.2003
800.11.075.150
main harness
wiring diagramm
Husaberg FE 04
800.11.078.000
rear light/brakelight
ye
ye-bl ye-bl
ye
ye-re
br
br
ye-re
br
ye-re
ye-re
re
gn
bu
pu
br
wh
br
br
light connector
bl
br
wh-gn
ye
bu
br
bl
wh-re
pu
br-bl
ye-re
ye-re
br
wh
flasher relay
bu
gn
ye
re
br
br
ye
ye
ye-re
or
bl
pu
or
ye-re
wh-re
G
bl
br
br
ye-re
br
wh-gn
ye
ye-bl
wh
ye-bl
ye-bl
br
G
3
bl-wh
pu
br
br
wh
gn-wh

Table of Contents

Related product manuals