EasyManua.ls Logo

HydraMaster GTXR+ - Page 72

HydraMaster GTXR+
138 pages
Print Icon
To Next Page IconTo Next Page
To Next Page IconTo Next Page
To Previous Page IconTo Previous Page
To Previous Page IconTo Previous Page
Loading...
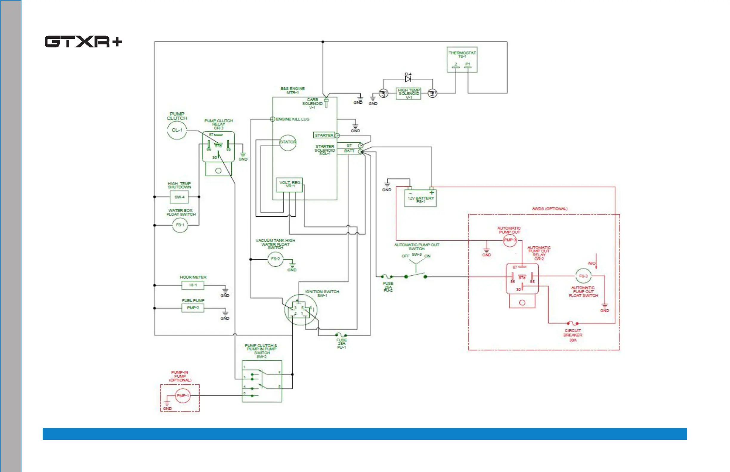
Electrical System: 7-2
Figure 8-1. Electrical
Schematic
000-179-048 Rev. B

Table of Contents

Related product manuals