EasyManua.ls Logo

HydraMaster MAXX 450D - Page 169

Default Icon
187 pages
Print Icon
To Next Page IconTo Next Page
To Next Page IconTo Next Page
To Previous Page IconTo Previous Page
To Previous Page IconTo Previous Page
Loading...
MAXX 450D/470D/Diesel Page 10-3
HydraMaster Corporation
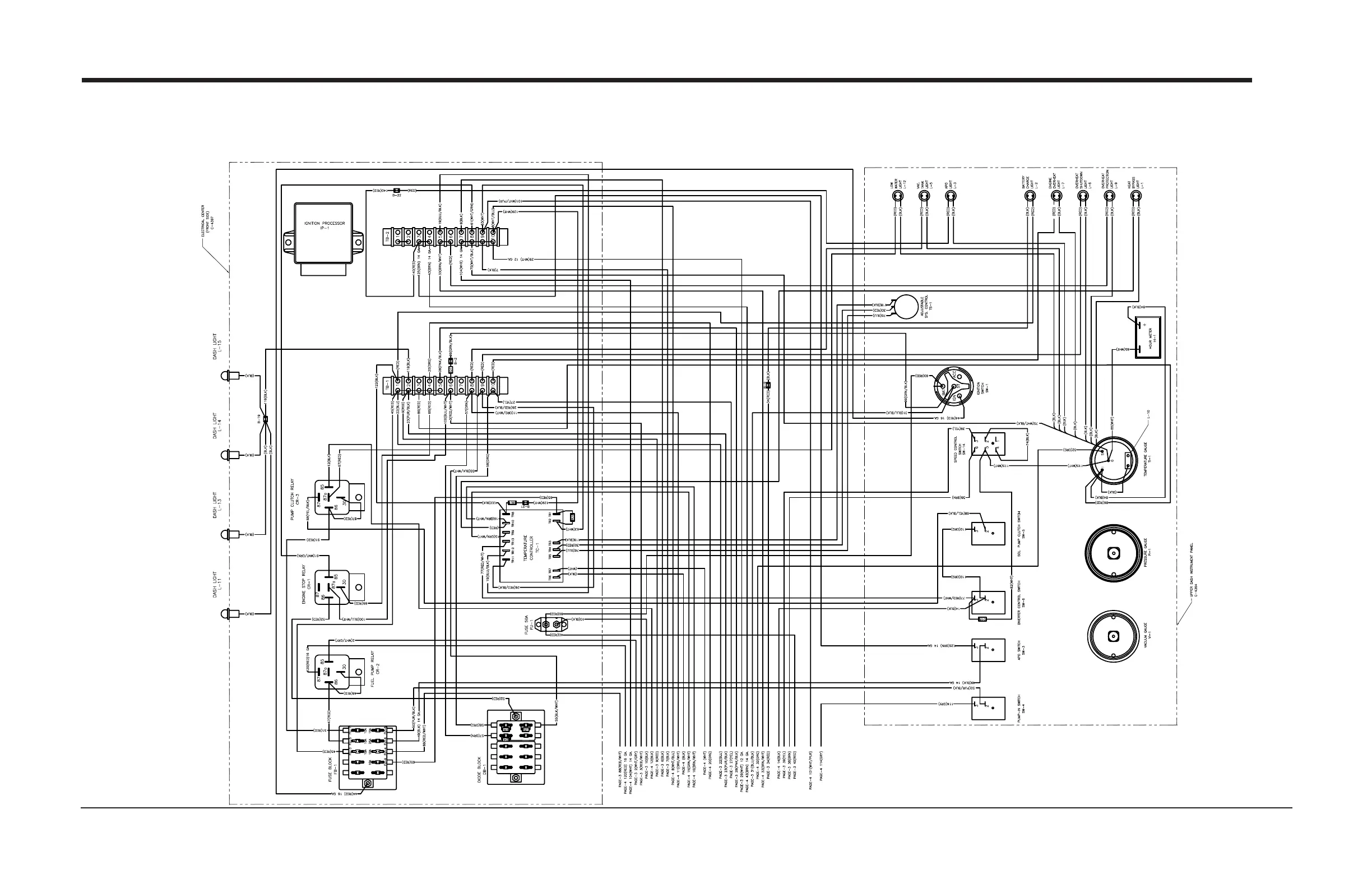
Figure 10-2 Wiring Diagram- 450D & 470D
D-4381 Sht 2, Rev K
11/17/2006