EasyManua.ls Logo

Hypertherm HPR130 Manual Gas - Page 168

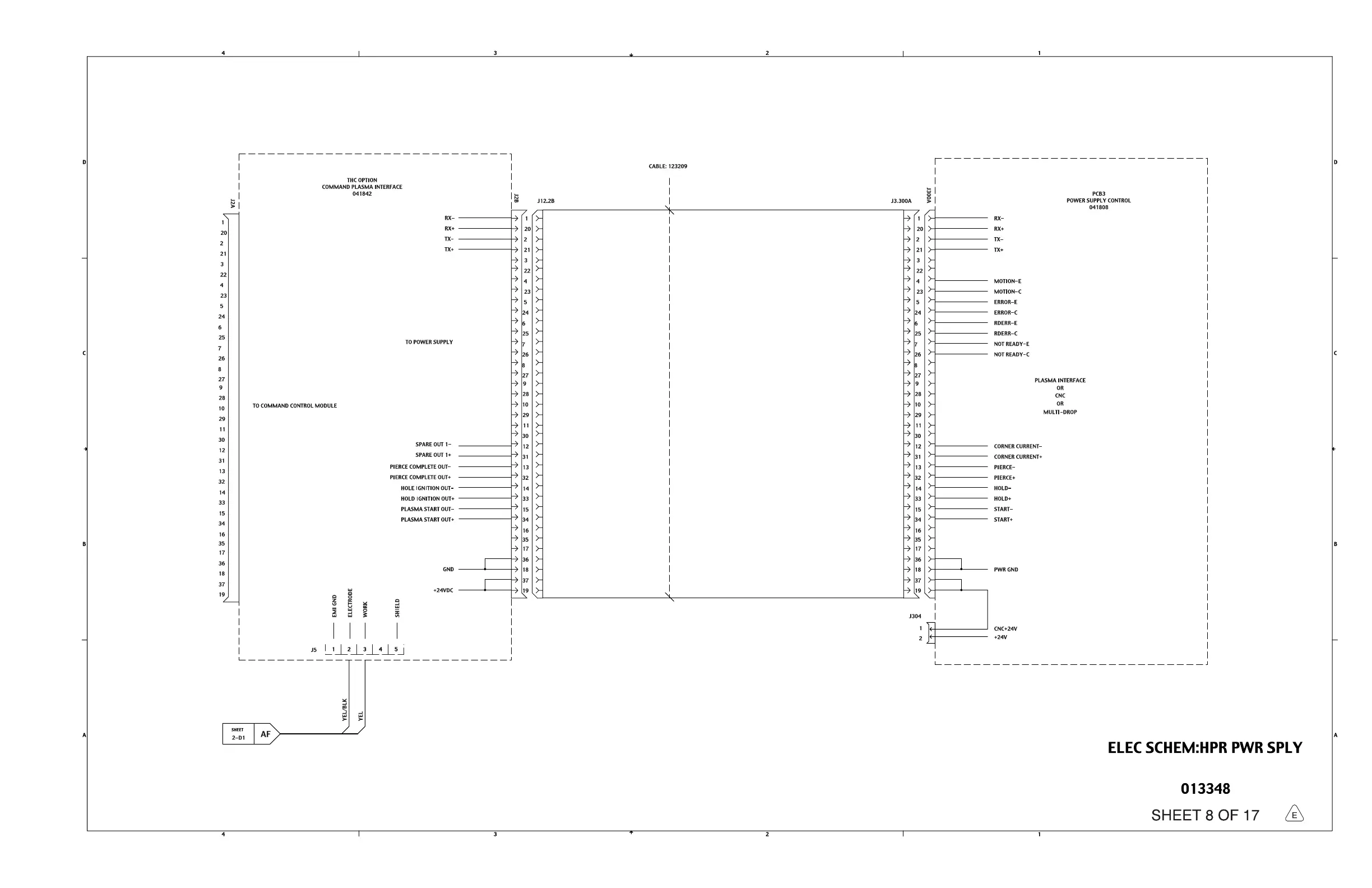
Hypertherm HPR130 Manual Gas
191 pages
To Next Page IconTo Next Page
To Next Page IconTo Next Page
To Previous Page IconTo Previous Page
To Previous Page IconTo Previous Page
Loading...
7-21
3

Table of Contents

Related product manuals