EasyManua.ls Logo

Hytera PNC550 - RF Section

Hytera PNC550
99 pages
Print Icon
To Next Page IconTo Next Page
To Next Page IconTo Next Page
To Previous Page IconTo Previous Page
To Previous Page IconTo Previous Page
Loading...
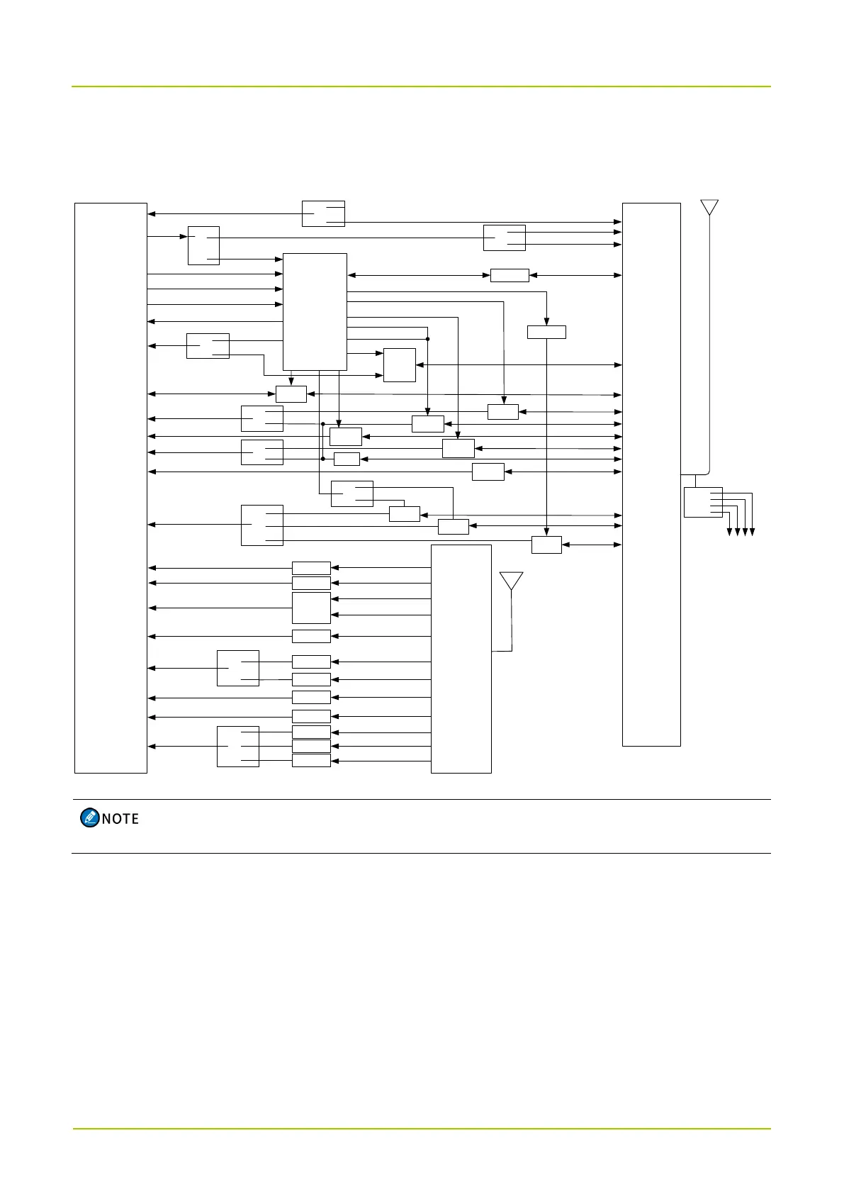
Circuit Description
B9
18
The audio accessory connector supports US-standard earpiece and earpiece by the Company.
5.1.2 RF Section
Transceiver
(U1600)
ANT_MAIN
TX _GSM/
B12/B13/B17/B39
TX_B5(BC0)/B20/B26 /B27 /B28
Tx_GS M LB
PRX_LB2
TX_DA1
TX_DA4
TX_DA2
TX_DA3
PRX_MB1
PRX_HB1
PRX_HB2
ANT
ANT_DIV
RFIN_H
RFIN_M
HB2
MB3
RFIN_L
TRX2
TRX13
TRX10
TRX11
TRX7
SW (U16 02 )
SW (U1300)
TRX_B3/DCS18 00
PRX_MB2
PRX_MB3
DRX _HB1
DRX _MB3
DRX _HB2
DRX _LB2
TRX_B7
ANT
Tx_
B12/
B13/B17
PRX_B34 /39
TRX8
DRX _MB2
RF1
RFC
RF2
LB1
HB1
MB2
RFIN_L
TX
ANT
TX
RX
ANT
TX
RX
ANT
Fi lt er
TRX_B38/B41
PRX
_B7
TX_B7/B38/B40 /B41
TX_B1/B2/B3/B4
PRX _B7/B38/B41
PRX_B2/B3/RX_PCS19 00
TRX1
DRX_B39
DRX _LB1
DRX _MB1
TX
RX
ANT
TX
RX
ANT
RX
TRX_B27B2/PCS19 00 RX
TRX9
LB3
LB4
PRX_LB1
PRX_LB3
RFC
RF1
FBRX_RFIP
W TR 0_FBRX
CPL_O
SW(U12 02)
PA
(U1401)
LB5
TRX_B1--B4
TRX3
TX
RX
ANT
LB2
MB4
PRX_B12 /B17 /B20 /B28 AB
PRX_B34 /39
PRX_B1--B4
Fi lt er
SW (U1201)
HBRX2
PRX_B40
RF2
GSM
_TX
/B39
RFIN_H
RFIN_VL
PRX_B5/BC 0/GSM85 0/B26
RX
ANT
TX
TRX_B5/BC0/G85 0/B26
TRX6
ANT
RF1
RF2
SW (S16 00 )
TRX4
TRX_B20--B12/17
Fi lt er
PA
(U1203)
RFC
RF1
RF2
SW(U12 00)
Tx_GS M HB
RFC
RF1
PRX
_B38/B41
RF1
RF2
HBRX1
RF3
PRX_B27
PRX_B28 B
RF1
RFC
RF2
TRX
_B28B
TRX_
B28A
TX
RX
ANT
PRX_B28 A
PRX_B8/G90 0R--B13 /B27
SW (U14 02 )
RF1
RF2
SW (U16 03 )
RFC
TRX5
PRX_B2--B12/17
PRX_B8/G90 0R--B13
TX
RX
ANT
TRX_B8/G900RXB13
Fi lt er
RF1
RF2
SW
(U16 04 )
RFC
PRX_B2
PRX_GS M1800 /B3
TRX14
Fi lt er
Fi lt er
PRX_GS M1900
TRX8
Fi lt er
DRX_B2
TRX7
TRX6
Fi lt er
DRX_B1/B3/B4
B1
B3
TRX9
Fi lt er
DRX_B40
RF2
RFC
RF1
TRX5
TRX10
Fi lt er
Fi lt er
B38/B41
B7
DRX_B7/B38/B41
SW (U13 01 )
TRX11
Fi lt er
DRX_B5/B26
TRX12
Fi lt er
DRX_B20B12 /13 /17
DRX _LB3
DRX_B8/B27/B28
ANT
RF1
RF2
RF3
Fi lt er
Fi lt er
Fi lt er
B28
B27
B8
TRX3
TRX2
TRX4
SW (S13 00 )
Match
to GND
RF1
RF2
RF4
RF3
RFC
SW (U16 01 )
The differences between B8 and B9 frequency bands are not updated in this figure.
5.1.2.1 Cellular Networks
GSM and CDMA are second-generation (2G) standards. W-CDMA and CDMA BC0 are third-generation
(3G) standards. LTE is a fourth-generation standard. Only LTE supports diversity reception.
GSM
GSM850, LTE B5/B26, and CDMA BC0 share one RX channel.
GSM900 and LTE B8 share one RX channel.
GSM1800 and LTE B3 share one RX channel.

Related product manuals