EasyManua.ls Logo

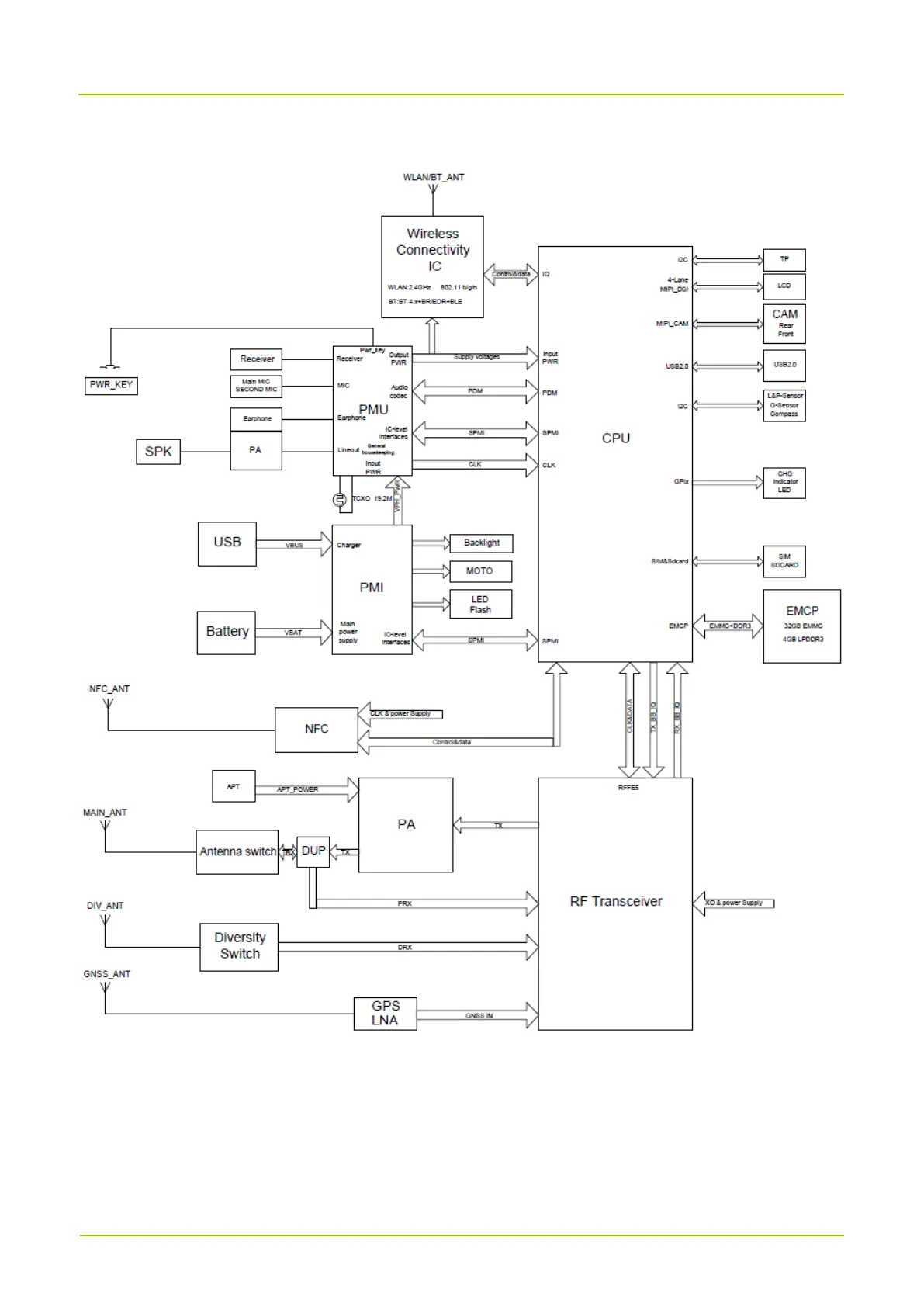
Hytera PNC550 - Block Diagram

Hytera PNC550
99 pages
Print Icon
To Next Page IconTo Next Page
To Next Page IconTo Next Page
To Previous Page IconTo Previous Page
To Previous Page IconTo Previous Page
Loading...
B9
Block Diagram
53
10. Block Diagram

Related product manuals