EasyManua.ls Logo

IAI RCM-P6GW - Page 264

Default Icon
286 pages
Print Icon
To Next Page IconTo Next Page
To Next Page IconTo Next Page
To Previous Page IconTo Previous Page
To Previous Page IconTo Previous Page
Loading...
10. Appendix
Fieldbus Communication
252
RCP6
S
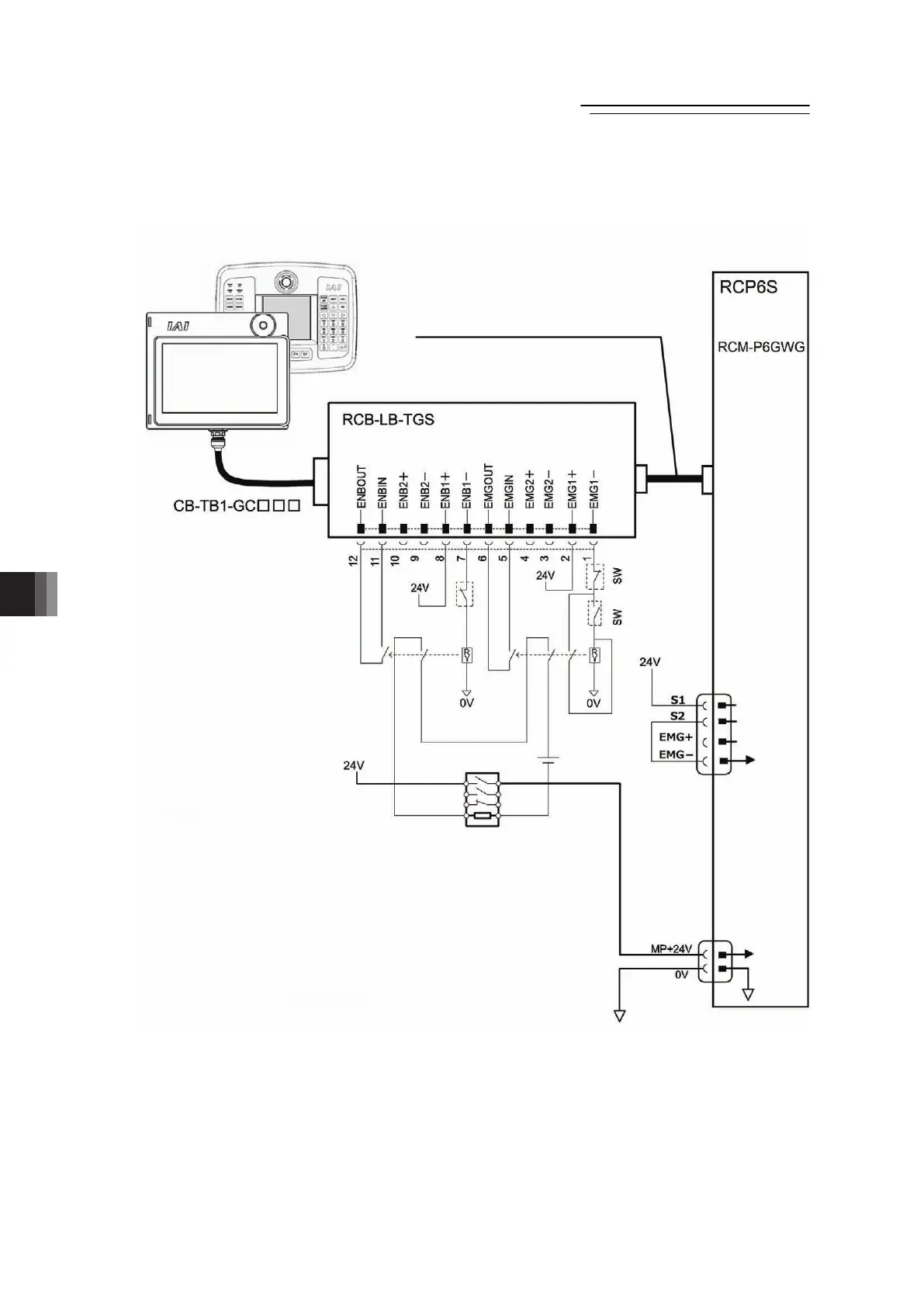
[3] Examples of safety circuits
1) In case of category 1
TB-02D or TB-01D/TB-01DR
(or Dummy plug : DP-4S)
Connection Cable CB-CON-LB□□□
Enable SW
Reset
Emergency
Stop
Solenoid Contactor
Motor
Power
Supply
System I/O
Connector
Motor Power
Supply
Connector
Gateway
Unit
TP Adaptor for the Position Controller
SIO Connector
ME0349-4B

Table of Contents

Other manuals for IAI RCM-P6GW

Related product manuals