EasyManua.ls Logo

IAI RCM-P6GW - Page 266

Default Icon
286 pages
Print Icon
To Next Page IconTo Next Page
To Next Page IconTo Next Page
To Previous Page IconTo Previous Page
To Previous Page IconTo Previous Page
Loading...
10. Appendix
Fieldbus Communication
254
RCP6
S
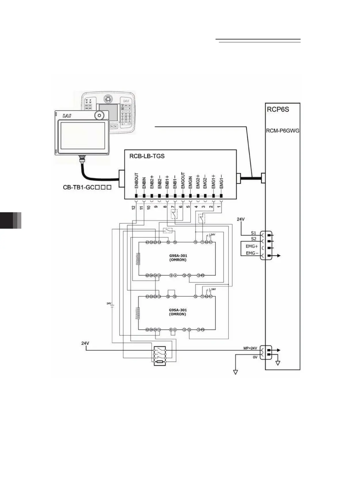
2) In case of category 2
Motor
Power
Supply
Reset SW
Emergency stop SW
Solenoid Contactor
Enable SW
System I/O
Connector
Motor Power
Supply
Connector
TB-02D or TB-01D/TB-01DR
(or Dummy plug : DP-4S)
Connection Cable CB-CON-LB□□□
Gateway
Unit
SIO Connector
TP Adaptor for the Position Controller
ME0349-4B

Table of Contents

Other manuals for IAI RCM-P6GW

Related product manuals