EasyManua.ls Logo

IAI RCM-P6GW - Page 270

Default Icon
286 pages
To Next Page IconTo Next Page
To Next Page IconTo Next Page
To Previous Page IconTo Previous Page
To Previous Page IconTo Previous Page
Loading...
10. Appendix
Fieldbus Communication
258
RCP6
S
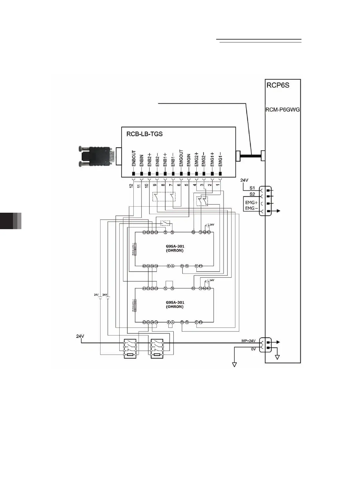
4) In case of category 4
Solenoid Contactor Solenoid Contactor
Enable SW
Reset SW
Emergency
Stop SW
System I/O
Connector
Motor
Power
Supply
Motor Power
Supply
Connector
Dummy plug : DP-4S
Connection Cable CB-CON-LB□□□
Gateway
Unit
ME0349-4B

Table of Contents

Other manuals for IAI RCM-P6GW

Related product manuals