EasyManua.ls Logo

IFM Electronic Efector 300 - Main Menu and Extended Functions Overview

IFM Electronic Efector 300
31 pages
Print Icon
To Next Page IconTo Next Page
To Next Page IconTo Next Page
To Previous Page IconTo Previous Page
To Previous Page IconTo Previous Page
Loading...
16
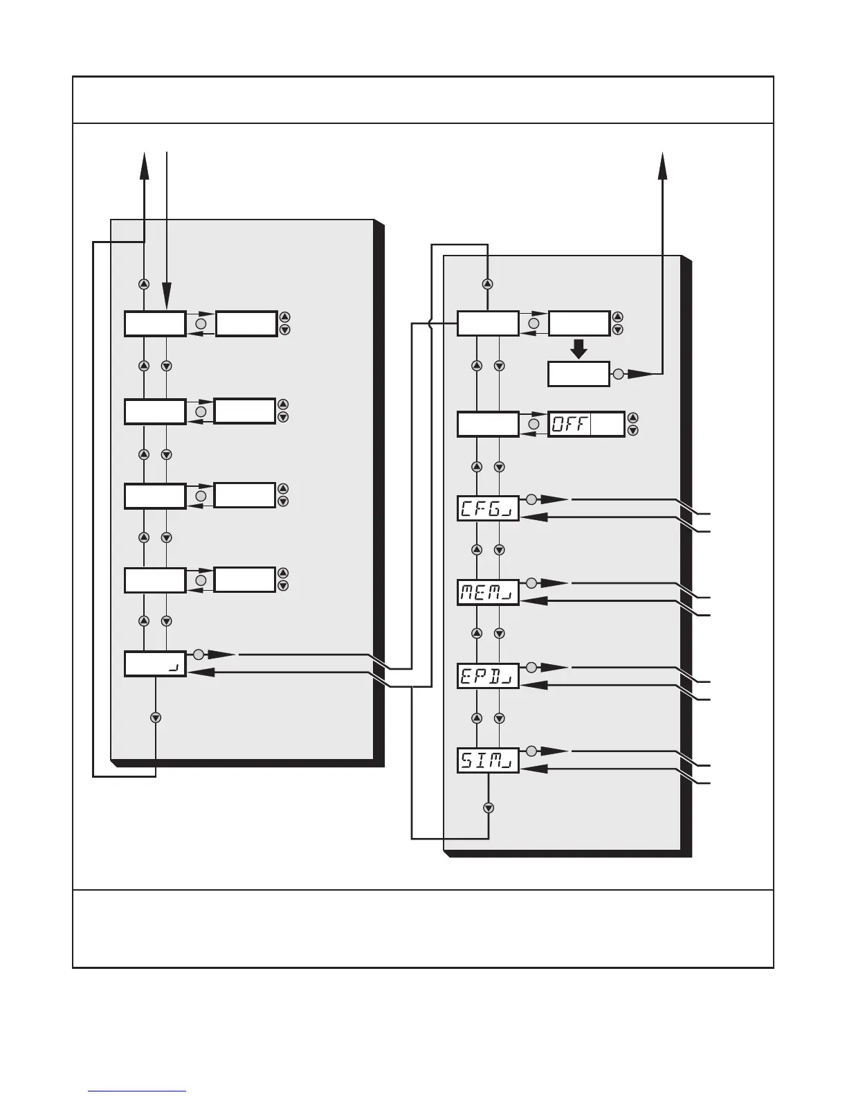
8.2 Main menu, Extended functions
↑Processvaluedisplay









EF




8.3
8.4
8.4
8.4

→8.3Basicsettings
→8.4Min/maxmemory–Emptypipe–Simulation

Table of Contents

Related product manuals