EasyManua.ls Logo

IFM Electronic Efector 300 - Min;Max Memory, Empty Pipe, Simulation Overview

IFM Electronic Efector 300
31 pages
Print Icon
To Next Page IconTo Next Page
To Next Page IconTo Next Page
To Previous Page IconTo Previous Page
To Previous Page IconTo Previous Page
Loading...
20
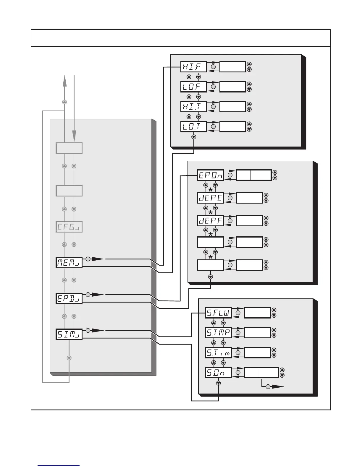
8.4 Min/max memory – Empty pipe – Simulation
↑Mainmenu
EF


MEM
SIM
 









 
8.1
EPD




* Parameters are only displayed for the selection EP�On = On�

Table of Contents

Related product manuals