EasyManua.ls Logo

IFM Electronic Efector 300 - Basic Settings (CFG) Overview

IFM Electronic Efector 300
31 pages
Print Icon
To Next Page IconTo Next Page
To Next Page IconTo Next Page
To Previous Page IconTo Previous Page
To Previous Page IconTo Previous Page
Loading...
18
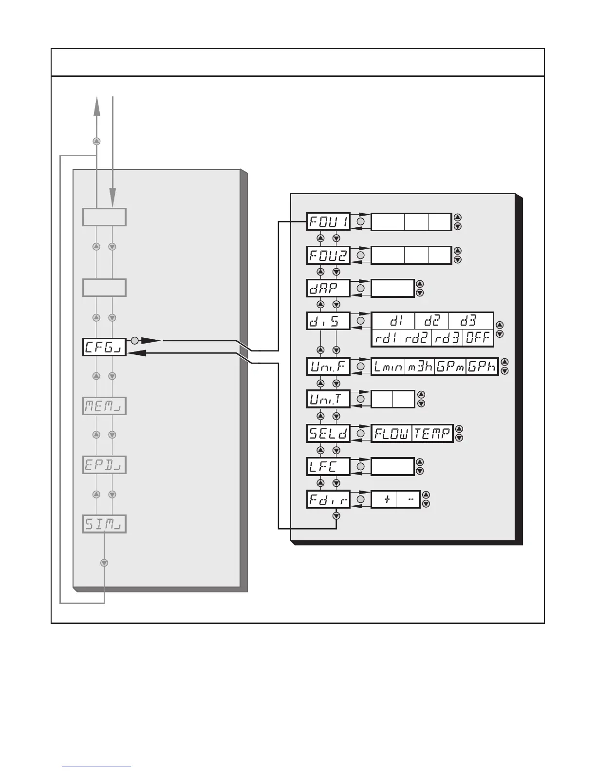
8.3 Basic settings
↑Mainmenu
CFG


  
  
°°
EF



Table of Contents

Related product manuals