EasyManua.ls Logo

ILLKO MDtest - Earth Leakage Current (I60601 Earth)

Default Icon
74 pages
Print Icon
To Next Page IconTo Next Page
To Next Page IconTo Next Page
To Previous Page IconTo Previous Page
To Previous Page IconTo Previous Page
Loading...
MDtest (100-140 V) - User’s Manual 4 Measurements
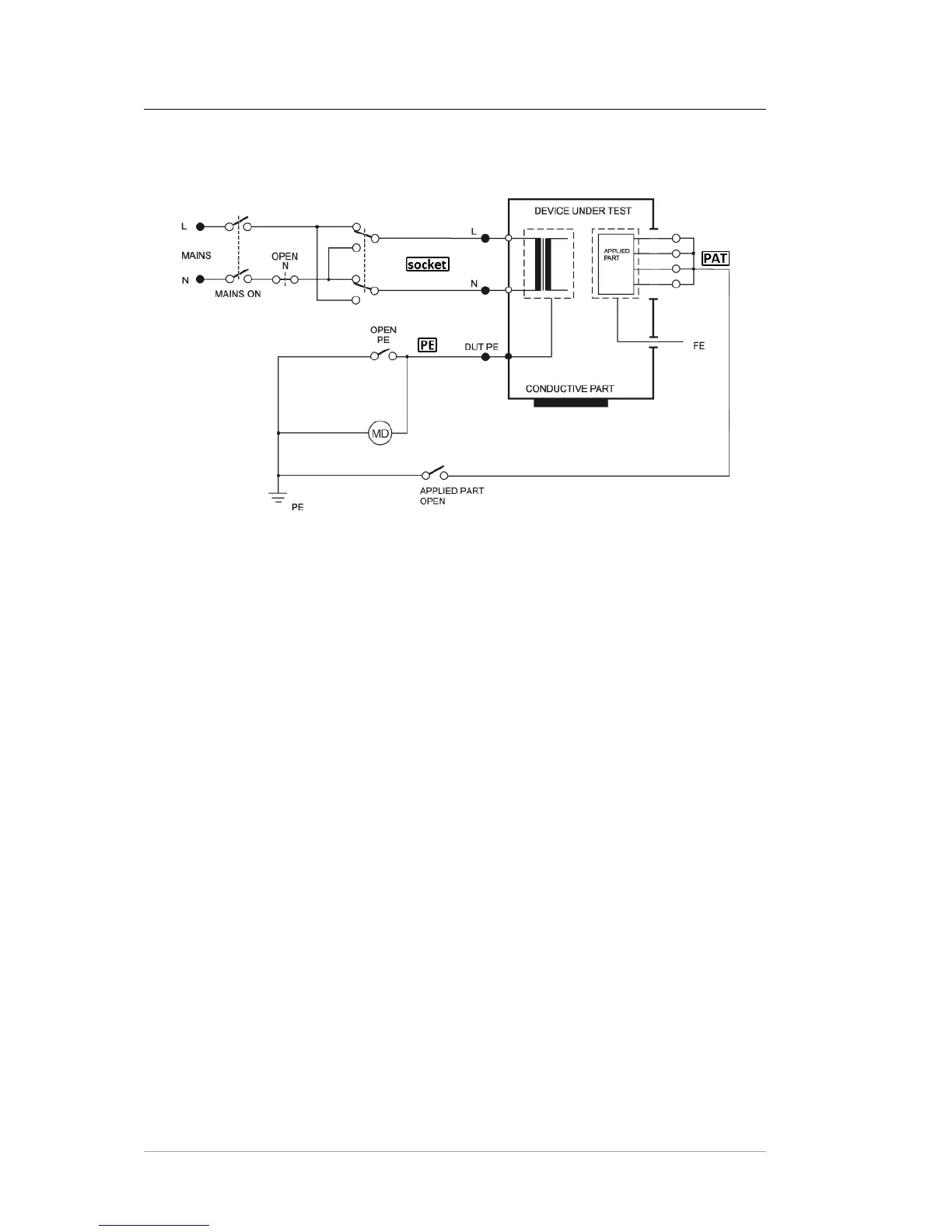
4.7.1 Earth leakage current (direct method) - I60601Earth
Figure 14: I60601Earth measurement
Outlet conditions:
- Normal Polarity - Reversed Polarity
- Normal Polarity, Open Neutral - Reversed Polarity, Open Neutral
Procedure:
Press the [* UTIL] key and release it. Then press the [1] key and release it.
If the measurement with open N can be performed press the [OpenN] key.
Press the [Default] or [OpenN] keys repetitively in order to measure with
L-N reversal. The symbol L-N reversed is displayed.
Connect the tested appliance: plug in its mains plug into Test Socket 1.
Press the [TEST] key.
Switch on the tested appliance’s mains switch.
The HOLD function can be used (press the [H] key).
Switch off the tested appliance’s mains switch.
Finish the measurement (see chapter 4.2.1).
c
2018 ILLKO, s.r.o. www.illko.cz Page 35

Table of Contents